Омск +7(3812) 999-654, 999-624 Заказать звонок
Адрес: ул.Богдана Хмельницкого 283/3
Время работы: ПН-ПТ 9-18, СБ, ВС - выходной
Войти Регистрация
Корзина0 позиций
на сумму 0 руб.

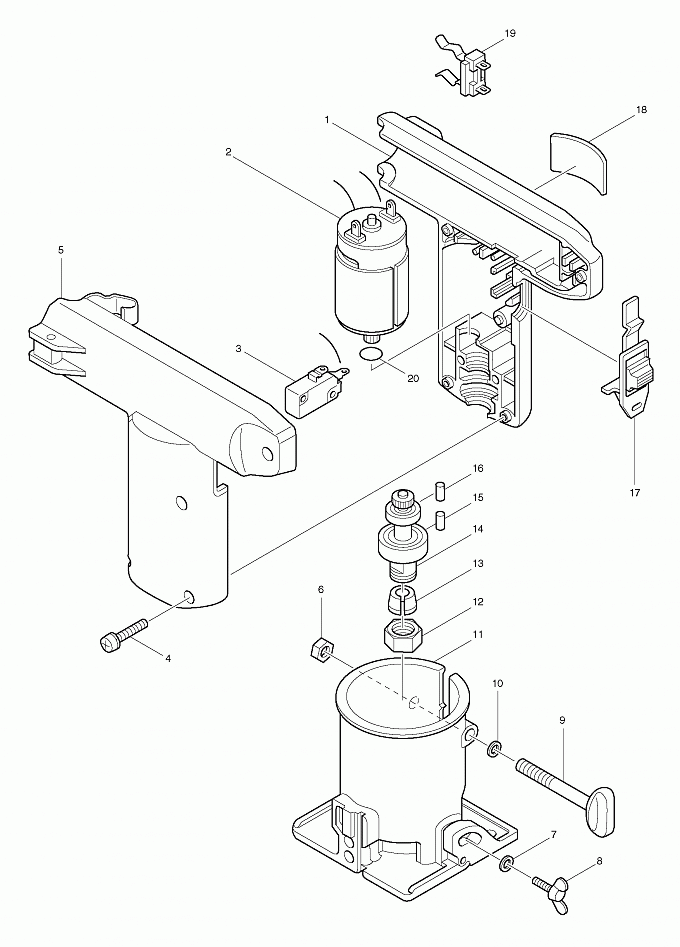
3700D

Артикул
Наименование
Кол.
1
181879-9
Корпус к 3700D
1
2
629808-9
DC MOTOR(new)
1
2
629549-7
Двигатель 7.2V(верс1)
1
3
651944-3
Выключатель PMC-1115-13 /4071D(new)
1
3
651866-7
Выключатель V-5130E-092 3700D/(верс1)
1
4
911143-2
Винт M4X22 к 6317D/6312BR/
5
5
181879-9
Корпус к 3700D
1
6
931202-6
Шестигранная гайка M5 HR2430/
1
7
941101-4
Плоская шайба 5 к 1100/HR2430/
2
8
924216-2
Болт-барашек M5X15 к LS1440/
2
9
251873-6
Bинт M5x55 3700D
1
10
941101-4
Плоская шайба 5 к 1100/HR2430/
1
11
152290-2
Основание в сборе для 3700D
1
12
763606-2
Гайка цанги 6 к 3708F/3700B/
1
13
763607-0
Цанговый зажим 6 мм. к 3707/(new)
1
13
763607-0
Цанговый зажим 6 мм. к 3707/(new)
1
14
153159-3
Шпиндель к 3700D
1
15
263002-9
Резиновая шпилька 4
1
16
263002-9
Резиновая шпилька 4
1
17
410657-3
Рычаг выключателя
1
18
855483-7
NAME PLATE 3700D
1
19
643909-9
Контактный разъем для 1050D/
1
20
213166-9
О-кольцо 12.5 резиновое 3700D
1
27
191679-9
Цилиндр акк.батарея 7.2В 1.3Ач
1
400
923231-3
Болт с квадр.осн.шляпки M5X20
2
401
122315-6
Направляющая втулка для 3700D
1
402
934201-7
Барашковая гайка M5
2
403
793332-9
комплектующие и аксессуары
1
404
781003-0
Гаечный ключ 10 3700B/3708/906
1
405
781008-0
Гаечный ключ 17 3700B/3707/
1
407
322067-1
деталь
1
408
414938-7
Крышка аккумулятора для 1050D/
1
900
122313-0
Направляющая роликовая(верс1)
1


Войти Регистрация
Корзина0 позиций на сумму 0 руб.