Омск +7(3812) 999-654, 999-624 Заказать звонок
Адрес: ул.Богдана Хмельницкого 283/3
Время работы: ПН-ПТ 9-18, СБ, ВС - выходной
Войти Регистрация
Корзина0 позиций
на сумму 0 руб.

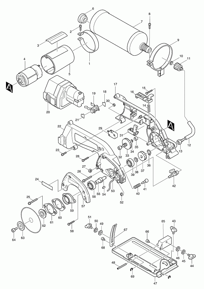
4191D

Артикул
Наименование
Кол.
1
343530-1
деталь
1
2
911146-6
Винт M4X25
1
3
858505-2
NAME PLATE 4191D
1
4
629688-3
Двигатель 12В для модели 4191D
1
5
416142-4
Корпус двигателя для 4191D
1
6
421198-4
Крышка маслянного канала
1
7
242030-7
Бачок для воды для 4191D
1
8
911146-6
Винт M4X25
1
9
163159-5
Держатель бака к 4103D/4190D/
1
10
261056-0
Резиновая шайба 12
1
11
416146-6
Крышка маслянного канала
1
12
416186-4
деталь
1
13
416145-8
Гайка(new)
1
13
416145-8
Гайка(new)
1
14
233024-3
Компрессионная пружина 4
1
15
265995-6
Самонарезающий винт 4X18
3
16
415680-3
Рычаг предохранителя
1
17
182850-6
Корпус 4191D
1
18
423294-4
деталь
1
19
643909-9
Контактный разъем для 1050D/
1
20
192597-4
Кубич. акк. батарея 12В 1.9Ач
1
21
423294-4
деталь
1
22
182850-6
Корпус 4191D
1
23
911148-2
Винт M4X25(верс1)
1
24
819080-3
Этикетка с эмблемой 11X43
1
25
266050-7
Самонарез. винт. фланец PT4X30
2
26
266050-7
Самонарез. винт. фланец PT4X30
1
27
931202-6
Шестигранная гайка M5 HR2430/
1
28
265995-6
Самонарезающий винт 4X18
3
29
651891-8
Выключатель V-15-3A6 к T1022D/
1
30
931102-0
Шестигранная гайка M4 к ML122/
1
31
415679-8
Рычаг выключателя для UC120D/
1
32
214027-6
Подшипник скольжения 4
1
33
226819-1
Шестерни в сборе 8-68
1
34
253307-5
Тонкая шайба 4
1
35
214019-5
Подшипник скольжения 4
1
36
961004-6
Стопорное кольцо S-8 к 4341CT/
1
37
226448-0
Косозубая шестерня 33
1
38
253215-0
Плоская шайба 8 2012NB/4191D/
1
39
211033-2
Подшипник 608LB
1
40
231240-1
Компрессионная пружина 7
1
41
268002-4
Шпилька 5 для 4191D
1
42
152536-6
Кран подачи воды для 4191D
1
43
265756-4
Bинт M5x10 4191D(new)
1
43
251899-8
Bинт M5x10 4191D(верс1)
1
44
265756-4
Bинт M5x10 4191D(new)
1
44
251899-8
Bинт M5x10 4191D(верс1)
1
45
942101-7
Шайба Гровера 5 к 1100/3708F/
1
46
941101-4
Плоская шайба 5 к 1100/HR2430/
1
47
168318-6
Основание для 4191D(new)
1
47
168301-3
Основание для 4191D(верс1)
1
48
951131-7
Пружинный штифт 4-40 4191D
1
49
941101-4
Плоская шайба 5 к 1100/HR2430/
1
50
942101-7
Шайба Гровера 5 к 1100/3708F/
1
51
265756-4
Bинт M5x10 4191D(new)
1
51
251899-8
Bинт M5x10 4191D(верс1)
1
52
961011-9
Стопорное кольцо E-4 к HR2450/
1
53
331483-6
Выпускная труба для 4191D
1
54
254031-3
Сегментная шпонка 3
1
55
322810-8
Шпиндель для модели 4191D
1
56
211061-7
Подшипник 10/26
1
57
416147-4
Кожух диска для 4191D
1
58
265995-6
Самонарезающий винт 4X18
3
59
415677-2
Корпус подшипника для 4191D
1
60
421561-1
Прокладка для модели 4191D
1
61
163372-5
Держатель для 4191D
1
62
224324-2
Внутренний фланец 28 на 4191D
1
63
224177-9
Наружный фланец 28 4103D/4191D
1
64
922212-4
Болт с внутр.шестигран.М5Х12
1
65
344595-6
деталь
1
66
268028-6
Шпилька 5 для 4191D
1
67
344593-0
Ограничитель уровня глуб.4191D
1
68
268004-0
Шпилька 4 для 4191D
1
69
961017-7
Стопорное кольцо E-3 к HR2450/
2
70
213026-5
О-кольцо 7 резиновое 4191D
1
1001
344532-0
Установочная пластина 4191D
1
1002
414938-7
Крышка аккумулятора для 1050D/
1
1003
783202-0
Шестигранный ключ 4 к 4341CT/
1
1004
B-21098
Алмазный диск 85x15(new)
1
1004
792296-4
Алмазный диск 80x15(мокр. рез)
1
2002
134821-9
Основание в сборе для 4191D
1


Войти Регистрация
Корзина0 позиций на сумму 0 руб.