Винт M5X25 к DA6301/2708/9401/
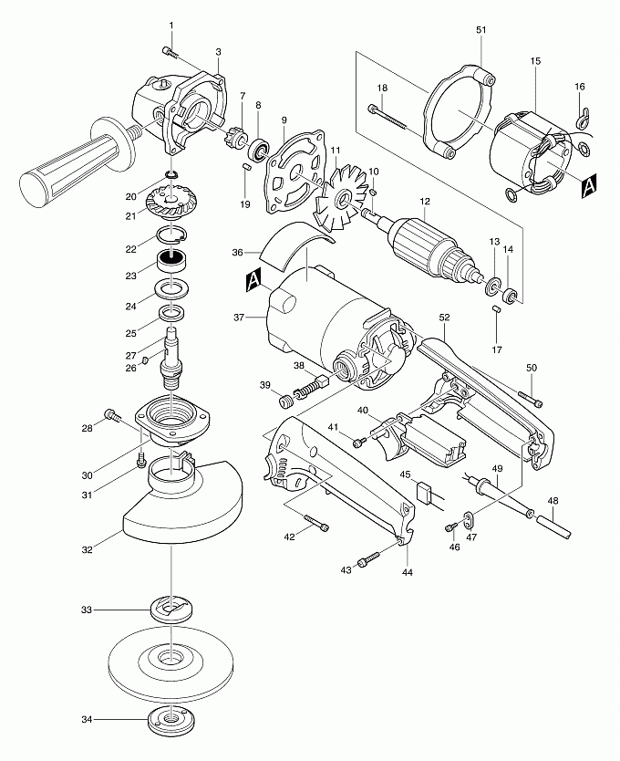
Корпус редуктора в сб. PC1100/(new)
Корпус редуктора в сб. PC1100(верс1)
Коническая пара PC1100/9005В(new)
Коническая пара PC1100/9005В(верс1)
Крыльчатка 70 для GA5000/9005B
Pотор в сборе для PC1100/9005B
Изоляционная шайба для 1125/
Cтатор в сборе 220В для 9005B
Ремешок для 4110C/9077/9402/
Винт M5X65 для 1002BA/2400B/
Стопорное кольцо S-12 9555NB/
Коническая пара PC1100/9005В(new)
Коническая пара PC1100/9005В(верс1)
Стопорное кольцо R-32 9555NB/
Плоская шайба 22 для HK1820
Корпус подшипника для 9005B
Болт M4X14 с внутр.шестигран.(new)
Самонарезающий винт CT4X16
Винт M4X14 для 9522NB/1100/
Внутренний фланец 42(верс1)
Гайка прижимная 14-45(new)
Гайка прижимная 14-45(верс1)
Корпус двигателя JN3200/9005B/
Колпачок щеткодержателя 6-10
Выключатель C3D-15AS к 9005B/
Винт M4X10 для LS1013/1911B/
Винт M5X28 к KP312S/2106/5016/
Винт M4X22 к 6317D/6312BR/
Рукоятка в сборе к 9005В(new)
Рукоятка в сборе к 9005В(new)
Рукоятка в сборе к 9005B(верс1)
Фильтр помех для 5012B/HR2400/
Самонарезающий винт 4X18(верс1)
Прижимная пластина к HR2450/
Зажим кабеля желтый (ME25)
Кабель резиновый 1.0-2-2.5
Усилитель кабеля 9.3-90 2030/
Винт M5X28 к KP312S/2106/5016/
Защита статора к JN3200/9005B/
Рукоятка в сборе к 9005В(new)
Рукоятка в сборе к 9005В(new)
Рукоятка в сборе к 9005B(верс1)
DEPRESSED CENTER WHEEL 125-24
Ключ зажимной гайки MA415
Держатель кабеля для 6905H/
Этикетка с эмблемой Макита