Омск +7(3812) 999-654, 999-624 Заказать звонок
Адрес: ул.Богдана Хмельницкого 283/3
Время работы: ПН-ПТ 9-18, СБ, ВС - выходной
Войти Регистрация
Корзина0 позиций
на сумму 0 руб.

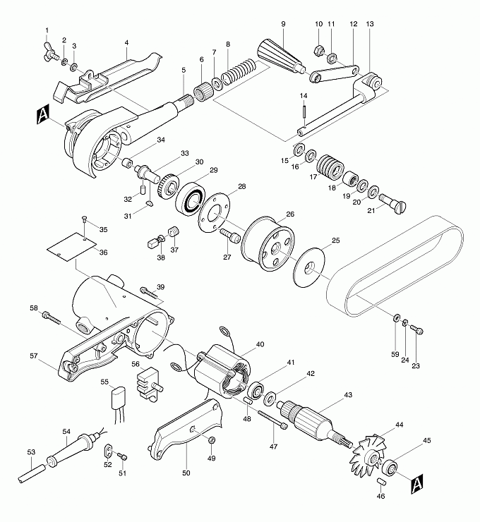
9030

Артикул
Наименование
Кол.
1
924216-2
Болт-барашек M5X15 к LS1440/
1
2
942101-7
Шайба Гровера 5 к 1100/3708F/
1
3
941101-4
Плоская шайба 5 к 1100/HR2430/
1
4
342152-4
Стальная пластина к 9030/9031
1
5
157858-9
Корпус редуктора к 9030
1
6
252605-4
Барашковая гайка M16
1
7
253052-2
Плоская шайба 12(верс1)
1
8
231056-4
Компрессионная пружина 13
1
9
152490-4
Боковая ручка 36
1
9
273401-7
Боковая ручка 32 для 9030(верс1)
1
10
252026-0
Шестигр. гайка M8-17
1
11
253904-7
Волновая шайба 12
2
12
164298-4
Рукоятка для 9030
1
13
154231-4
деталь для модели 9030
1
14
951116-3
Пружинный штифт 4-20 2412N/(верс1)
1
15
261015-4
Шайба 12
1
16
253052-2
Плоская шайба 12(верс1)
1
17
222019-1
Шкив 30-25
1
18
212104-8
Игольчатый подшипник 1212
1
19
253052-2
Плоская шайба 12(верс1)
1
20
261015-4
Шайба 12
1
21
325078-5
Штифт ролика к 9030
1
23
251287-9
Винт (+) М4Х10
1
24
942051-6
Шайба Гровера 4 к 9030/6912D
1
25
343065-2
деталь
1
26
222018-3
Шкив ремня 33-64
1
27
911116-5
Винт M4X12 к 1002BA/1125/2030/
4
28
285623-7
Фиксатор подшипника 48 к 9030
1
29
211303-9
Подшипник 6004LB
1
30
221095-2
Косозубая шестерня 45
1
31
254002-0
Сегментная шпонка 3
1
32
256009-2
Шпилька 4.5
1
33
323224-4
деталь
1
34
212004-2
Игольчатый подшипник 810
1
35
953106-2
Заклёпка 0-5 для 4110C/1901/
2
36
811647-3
NAME PLATE 9030
1
37
643550-8
Колпачок щеткодержателя 5-8
2
38
181021-2
Угольные щетки СВ-51
1
39
911159-7
PAN HEAD SCREW M4X30
3
40
528646-5
Cтатор в сбоpe 9030
1
41
211028-5
Подшипник 627LB
1
42
253058-0
Плоская шайба 7
1
43
511105-6
Pотор в сборе 9030
1
44
241031-2
FAN 62
1
45
210005-4
Подшипник 608DDW
1
46
263002-9
Резиновая шпилька 4
1
47
911175-9
Винт M4X45 6510B2/6510PB/9030
2
48
263002-9
Резиновая шпилька 4
1
49
931102-0
Шестигранная гайка M4 к ML122/
3
50
411003-3
Крышка ручки для 9030
1
51
911133-5
Винт M4X18 к 1911B
2
52
687031-2
Держатель кабеля для HR5000K/
1
53
665016-8
POWER SUPPLY CORD 1.00-2-2.5
1
54
682502-4
Усилитель кабеля 8-85 к 1806B/
1
55
645200-1
Фильтр помех для 5012B/HR2400/
1
56
651232-8
Выключатель SGEL206C для 9036/
1
57
156231-0
Корпус двигателя для 9030
1
58
911148-2
Винт M4X25(верс1)
3
59
941052-1
Плоская шайба 4 к 4320/9504BH/
1
400
794013-8
ABRASIVE BELT SET 30X533
1


Войти Регистрация
Корзина0 позиций на сумму 0 руб.