Омск +7(3812) 999-654, 999-624 Заказать звонок
Адрес: ул.Богдана Хмельницкого 283/3
Время работы: ПН-ПТ 9-18, СБ, ВС - выходной
Войти Регистрация
Корзина0 позиций
на сумму 0 руб.

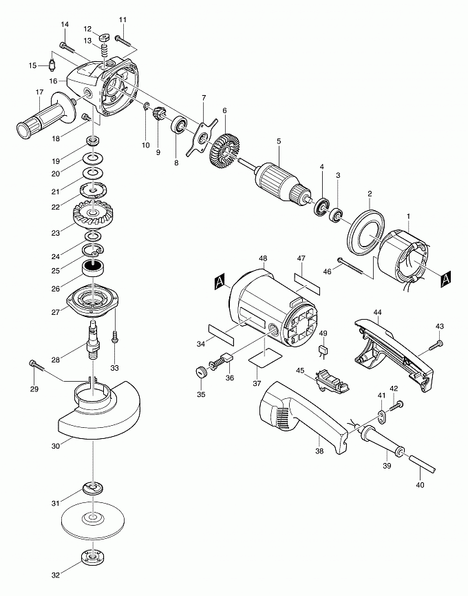
9059S

Артикул
Наименование
Кол.
1
526053-6
Cтатор в сборе к 9059S/9057S/
1
2
416131-9
Защита статора к 4112HS/9079F
1
3
211087-9
Подшипник 6200DDW/
1
4
681630-2
Изоляционная шайба для 9069S/
1
5
516713-8
Pотор в сб. к 9059S/9059/9057S
1
6
241908-1
Крыльчатка 80 для HM1242C/9049
1
7
285832-8
Фиксатор подшипника 60 к 9047/
1
8
211132-0
Подшипник 12/37
1
9
226740-4
Коническая спирал. шестерня 12
1
10
961005-4
Стопорное кольцо S-9 к 9069S/
1
11
266012-5
Самонарез. винт. фланец 5X35
4
12
416132-7
Кнопка стопорного штифта
1
13
233031-6
Компрессионная пружина 12
1
14
266129-4
Болт M5X25 с внутр.шестигранн.
1
15
256445-2
Шпилька 6
1
16
125201-0
Корпус редуктора в сборе
1
17
152539-0
Боковая ручка 36
1
18
265976-0
Болт M5X10 к 9027S/9029S/9047/
1
19
252425-6
Гайка M15-23 9047S/49S/57S/59S
1
20
232163-6
Тарельчатая шайба 20 9059S/
1
21
232163-6
Тарельчатая шайба 20 9059S/
1
22
267725-1
Контровочная шайба для 9047/
1
23
226739-9
Коническая спирал. шестерня 53
1
24
267167-9
Плоская шайба 15 к 9057S/9059/
1
25
962157-4
Стопорное кольцо R-40 к 9069S/
1
26
211278-2
Подшипник 17/40 GA9030
1
27
316855-6
Корпус подшипника 9057S/9047S/
1
28
322902-3
Шпиндель для 9047/9049/9059/
1
29
265050-4
Винт M8X25
1
30
165216-5
Защитный кожух металлический
1
31
122444-5
Суперфланец(верс1)
1
32
224543-0
Гайка прижимная 14-45(верс1)
1
33
911230-7
Винт M5x18 к 9069S/9047/9049/
4
34
819064-1
Этикетка с эмблемой Макита M
1
35
643700-5
Колпачок щеткодержателя 7-18
2
36
191957-7
Угольные щетки CB-204 автооткл
1
37
858645-6
NAME PLATE 9059S
1
38
182842-5
Рукоятка 9047/S/9049/S/9059/S
1
39
682540-6
Усилитель кабеля 9.3-90 2030/
1
40
695107-1
Кабель резиновый 1.5-2-2.5
1
40
665630-0
Кабель резиновый 1.5-2-2.5(верс1)
1
41
687053-2
Держатель кабеля для HR4500C/(верс1)
1
42
265995-6
Самонарезающий винт 4X18
2
43
265999-8
Самонарез. винт. фланец 4X25(верс2)
4
44
182842-5
Рукоятка 9047/S/9049/S/9059/S
1
45
651178-8
Выключатель 1362.0112 к GA9020(верс2)
1
45
651147-9
Выключатель 1362.0102 к 9069S/(верс1)
1
46
266059-9
Самонар. винт. фланец PT M5X75
2
47
819064-1
Этикетка с эмблемой Макита M
1
48
159952-3
Корпус двигателя в сб. 9059S/
1
49
645140-3
Фильтр помех к 9047/9049/9059/(new)
1
49
645216-6
Фильтр помех к 9047/9049/9059/(верс1)
1
50
539183-4
Сопротивление для 9049S/9047S/(new)
1
50
539121-6
Сопротивление на 9069S/9047S(верс1)
1
51
442129-0
Резиновая прокладка для 9049/
1
1001
782407-9
Ключ зажимной гайки MA415
1
2001
125061-0
TORQUE LIMITTER ASSY
1


Войти Регистрация
Корзина0 позиций на сумму 0 руб.