Омск +7(3812) 999-654, 999-624 Заказать звонок
Адрес: ул.Богдана Хмельницкого 283/3
Время работы: ПН-ПТ 9-18, СБ, ВС - выходной
Войти Регистрация
Корзина0 позиций
на сумму 0 руб.

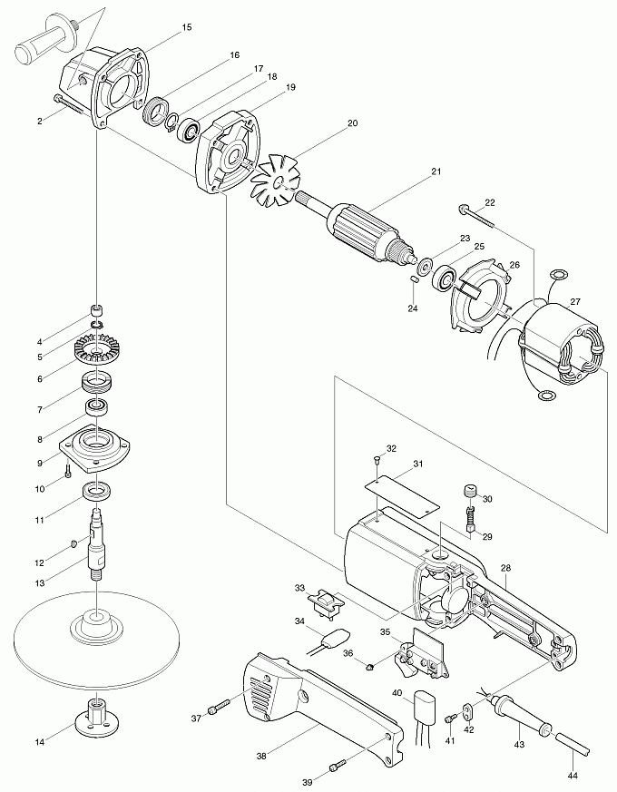
9207SPB

Артикул
Наименование
Кол.
2
911261-6
Винт M5X40 к 4110C/9401/9900B/(верс1)
4
4
212005-0
Игольчатый подшипник 810
1
5
961052-5
Стопорное кольцо S-12 9555NB/
1
6
221312-0
Спирально-конич. шестерня 43
1
7
285805-1
Фиксатор подшипника 22-34
1
8
211106-1
Подшипник 6201LLB
1
8
211144-3
Подшипник 12/32(верс2)
1
8
211106-1
Подшипник 6201LLB
1
9
312795-6
Корпус подшипника для 9207SPB
1
10
911121-2
Винт M4X14 для 9522NB/1100/
4
11
213301-9
Пыльник 20
1
12
254002-0
Сегментная шпонка 3
1
13
325433-1
Шпиндель к 9207SPB/9217SPС
1
14
224515-5
деталь
1
15
133324-0
Корпус редуктора в сборе
1
16
285816-6
Фиксатор подшипника 19-33
1
17
961055-9
Стопорное кольцо S-15 BO6030/
1
18
211201-7
Подшипник 6002LLB
1
19
312722-3
Крышка корп. редуктора 9207SPB
1
20
241080-9
Крыльчатка 68 9207SPB/9217SPC
1
21
512549-3
Pотор в сборе 220В к 9207SPB
1
22
911295-9
PAN HEAD SCREW M5X70
2
23
681613-2
Изоляционная шайба для 1125/
1
23
681603-5
Изоляционная шайба для 1125(верс1)
1
24
263014-2
Резиновая шпилька 4
1
25
211033-2
Подшипник 608LB
1
26
411263-7
Защита статора 9207SPB/9217SPС
1
27
528700-5
Cтатор в сбоpe 220V
1
28
156125-9
Корпус двигателя для 9207SPB
1
29
181030-1
Угольные щетки CB-100
1
30
643600-9
Колпачок щеткодержателя 6-10
2
31
811870-0
NAME PLATE 9207SPB
1
32
953106-2
Заклёпка 0-5 для 4110C/1901/
2
33
651603-9
Выключатель SS106A-5 для 906/
1
34
631011-0
Диод S3V60ZM-H
1
35
651018-0
Выключатель HPAHR2-3S HK1820L/
1
36
911103-4
Винт M4X6 1805B/LC1230/2412N/
2
37
911168-6
PAN HEAD SCREW M4X40(верс1)
2
38
411262-9
Крышка рукоятки
1
39
911148-2
Винт M4X25(верс1)
2
40
645253-0
Фильтр помех для 9542/HR2450/
1
41
911133-5
Винт M4X18 к 1911B
2
42
687001-1
Держатель кабеля для BO4550/
1
43
682502-4
Усилитель кабеля 8-85 к 1806B/
1
44
666066-6
Кабель пластиковый 1.00-2-2.5
1
400
743012-7
Резиновая подушка 170
1
401
794094-2
ABRASIVE DISC 180 #50
1
402
794176-0
Полир.насадка овч.180 .веревка
1
403
152492-0
Боковая ручка 36
1
404
782412-6
Ключ зажимной гайки 28
1
405
781008-0
Гаечный ключ 17 3700B/3707/
1


Войти Регистрация
Корзина0 позиций на сумму 0 руб.