Омск +7(3812) 999-654, 999-624 Заказать звонок
Адрес: ул.Богдана Хмельницкого 283/3
Время работы: ПН-ПТ 9-18, СБ, ВС - выходной
Войти Регистрация
Корзина0 позиций
на сумму 0 руб.

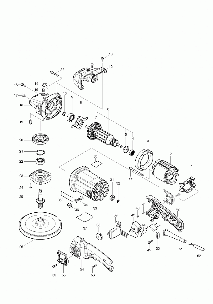
9237CB

Артикул
Наименование
Кол.
1
539168-0
Опора статора для 9227CB(new)
1
2
634293-3
Cтатор 220В/240В для 9227CB
1
3
416253-5
Защита статора для 9227CB
1
4
211031-6
Подшипник 608LLB
1
5
681644-1
Изоляционная шайба для 9227CB/
1
6
516308-7
Pотор в сборе для 9227CB
1
8
285687-1
Фиксатор подшипника 48 9227CB
1
9
211106-1
Подшипник 6201LLB
1
10
961052-5
Стопорное кольцо S-12 9555NB/
1
11
266012-5
Самонарез. винт. фланец 5X35
4
12
455291-2
HEAD COVER
1
13
911118-1
Винт M4X12
2
14
415491-6
Кнопка стопорного штифта
1
15
233072-2
Компрессионная пружина 8
1
16
911221-8
Винт M5X16 к HM1304/2106/2708/
1
17
911211-1
Винт M5X12 для KP312S/5500S/
1
18
142747-1
GEAR HOUSING COMPLETE
1
19
256504-2
Стопорный штифт 9(new)
1
20
227512-0
Коническая спирал. шестерня 52(new)
1
21
962151-6
Стопорное кольцо R-32 9555NB/
1
22
211106-1
Подшипник 6201LLB
1
23
316896-2
Корпус подшипника для 9227CB
1
24
266034-5
Самонарезающий винт CT4X16
4
25
152551-0
Шпиндель к 9227CB
1
26
743053-3
Тарельчатый шлифовальный диск
1
29
266038-7
Самонарез. винт. фланец PT5X70
2
30
804M47-2
INDICATION LABEL
1
31
688110-9
Магнитная втулка для 9227CB
1
32
961012-7
Стопорное кольцо E-6 к BLS820/
1
33
187958-1
MOTOR HOUSING SET
1
34
191963-2
Угольные щетки CB-303
1
35
819285-5
MAKITA LOGO LABEL
2
36
643750-0
Колпачок щеткодержателя к 4131
2
37
815Y34-8
9237CB NAME PLATE
1
38
271417-6
Регулировочное колесо 28
1
39
631227-7
Контроллер 200-250В для 9227CB(new)
1
40
255058-6
Заклёпка 2 9227CB
1
41
233002-3
Компрессионная пружина 3
1
42
187917-5
HANDLE SET
1
43
645200-1
Фильтр помех для 5012B/HR2400/
1
44
646077-7
Конденсатор к 5604R/9227CB
1
45
651282-3
Выключатель для модели 9227CB
1
49
265995-6
Самонарезающий винт 4X18
2
50
687052-4
Прижимная пластина к HR2450/
1
51
682573-1
Усилитель кабеля 10
1
52
665890-4
Кабель резиновый 1.0-2-4.0
1
53
265995-6
Самонарезающий винт 4X18
4
54
187917-5
HANDLE SET
1
55
455288-1
DUST COVER
2
56
265995-6
Самонарезающий винт 4X18
2
7
240002-6
Крыльчатка 70 для 9227CB
1
1001
266171-5
Болт M8X25 с внутр.шестигран.
2
1002
783204-6
Шестигранный ключ 6 для 3705/
1
1003
262542-4
Втулка 18 для 9227CB
1
1004
455293-8
LOOP HANDLE
1
1005
192629-7
Полир.насадка овч.180. липучка
1


Войти Регистрация
Корзина0 позиций на сумму 0 руб.