Омск +7(3812) 999-654, 999-624 Заказать звонок
Адрес: ул.Богдана Хмельницкого 283/3
Время работы: ПН-ПТ 9-18, СБ, ВС - выходной
Войти Регистрация
Корзина0 позиций
на сумму 0 руб.

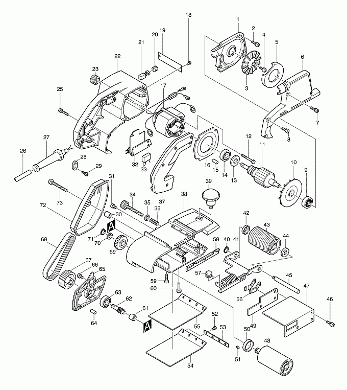
9401

Артикул
Наименование
Кол.
1
151177-5
комплектующие и аксессуары
1
2
911226-8
Винт M5X18 к 9069S/9047/9067/
4
3
241611-4
Крыльчатка 74 для 9924DB/9401
1
4
911211-1
Винт M5X12 для KP312S/5500S/
1
5
343166-6
Сепаратор для 9401/9402
1
6
315772-7
Крышка коллектора 9401/9402
1
7
911241-2
Винт M5X25 к DA6301/2708/9401/
2
8
911241-2
Винт M5X25 к DA6301/2708/9401/
2
9
211087-9
Подшипник 6200DDW/
1
10
241806-9
Крыльчатка 90 для 9401/9402
1
11
514205-1
Pотор в сборе для 9401/9402
1
12
911270-5
PAN HEAD SCREW M5X45
2
13
681635-2
Изоляционная шайба для HM1200/(new)
1
13
681624-7
INSULATION WASHER(верс1)
1
14
211066-7
Подшипник 10/30
1
15
263002-9
Резиновая шпилька 4
1
16
411143-7
Защита статора на 9401/9402
1
17
524205-3
Cтатор в сборе 220V
1
18
953106-2
Заклёпка 0-5 для 4110C/1901/
2
19
850166-4
Маркировочная табличка 9401(new)
1
19
811732-2
Маркировочная табличка 9401(верс1)
1
20
643650-4
Колпачок щеткодерж-ля 6.5-13.5
2
21
181044-0
Угольные щетки CB-153
1
22
156225-5
Корпус двигателя к 9401(new)
1
22
156225-5
Корпус двигателя к 9401(new)
1
23
222012-5
Шкив ремня 6-24L 9401/9402
1
25
911158-9
Винт M4X30 к 1050D/1125/1901/
5
26
665883-1
Кабель резиновый 1.0-2-5.0
1
26
666226-0
Кабель пластиковый 1.5-2-5.0
1
27
682516-3
Усилитель кабеля 9.3-85
1
27
682502-4
Усилитель кабеля 8-85 к 1806B/
1
28
687031-2
Держатель кабеля для HR5000K/
1
28
687001-1
Держатель кабеля для BO4550/
1
29
911133-5
Винт M4X18 к 1911B
2
30
257504-5
Bтулка 6 для 9401/9900B/9924DB
1
31
911221-8
Винт M5X16 к HM1304/2106/2708/
1
32
651018-0
Выключатель HPAHR2-3S HK1820L/
1
33
645105-5
Фильтр помех 1100/2708/LS1013/
1
34
251821-5
Bинт M8x72
1
35
941202-8
Плоская шайба 8 к 2106/DA6301/
1
36
231110-4
Компрессионная пружина 9
1
37
411142-9
Крышка рукоятки
1
38
156226-3
Каркас для 9401/9402
1
39
271207-7
Ручка-регулятор 55 9401/9402
1
40
961052-5
Стопорное кольцо S-12 9555NB/
1
41
163039-5
Кронштейн натяж. ведом. ролика
1
42
253922-5
Тарельчатая шайба 12 9920/
1
43
152103-7
Ведомый ролик для 9401/9402
1
44
253922-5
Тарельчатая шайба 12 9920/
1
45
325108-2
Вал ведомого ролика 9401 (мет)
1
46
911226-8
Винт M5X18 к 9069S/9047/9067/
3
47
342331-4
Кожух основания для 9401/9402
1
48
151346-8
Ведущий ролик 9401
1
49
341195-3
Балансировочная пластина
1
50
253922-5
Тарельчатая шайба 12 9920/
1
51
254202-2
Шпонка 4
1
52
911111-5
Винт M4X10
4
53
341079-5
Крепительная планка 9401/9402
1
54
423029-3
Графит. пластина 100мм к 9401/
1
55
421093-8
Пробковая подошва для 9403/
1
56
232029-0
Плоская пружина
2
57
231520-5
Торсионная пружина 18
1
58
155885-0
Ограничительная пластина
1
59
912227-9
Потайной винт М5Х18
6
60
325109-0
Опорный штифт 9401/9402
1
61
212003-4
Игольчатый подшипник 810
1
62
221193-2
Косозуб.шестерня 10 для 9924DB
1
63
211066-7
Подшипник 10/30
1
64
263002-9
Резиновая шпилька 4
1
65
312549-1
Крышка редуктора для 9401/9402(new)
1
65
152204-1
Кожух редуктора в сб. 9401/02(верс1)
1
66
911221-8
Винт M5X16 к HM1304/2106/2708/
5
67
222038-7
Шкив ремня 6-55.7 9401/9402
1
68
225021-3
Ремень 6-355 к 9401/9402(new)
1
68
225091-2
Ремень 6-355 к MT940(верс2)
1
68
225021-3
Ремень 6-355 к 9401/9402(new)
1
69
221194-0
Косоз.шестерня 42 для9401/9402
1
70
253312-2
Тонкая шайба 12(new)
4
70
253312-2
Тонкая шайба 12(new)
2
71
961052-5
Стопорное кольцо S-12 9555NB/
1
72
343165-8
Защита ремня для 9401/9402
1
73
911261-6
Винт M5X40 к 4110C/9401/9900B/(верс1)
1
400
794135-4
ABRASIVE BELT 100X610 WA80
1
401
342332-2
Стойка для ленточной машины
1
402
423029-3
Графит. пластина 100мм к 9401/
1
403
122297-2
Пылесборник для 9401/9402
1


Войти Регистрация
Корзина0 позиций на сумму 0 руб.