Омск +7(3812) 999-654, 999-624 Заказать звонок
Адрес: ул.Богдана Хмельницкого 283/3
Время работы: ПН-ПТ 9-18, СБ, ВС - выходной
Войти Регистрация
Корзина0 позиций
на сумму 0 руб.

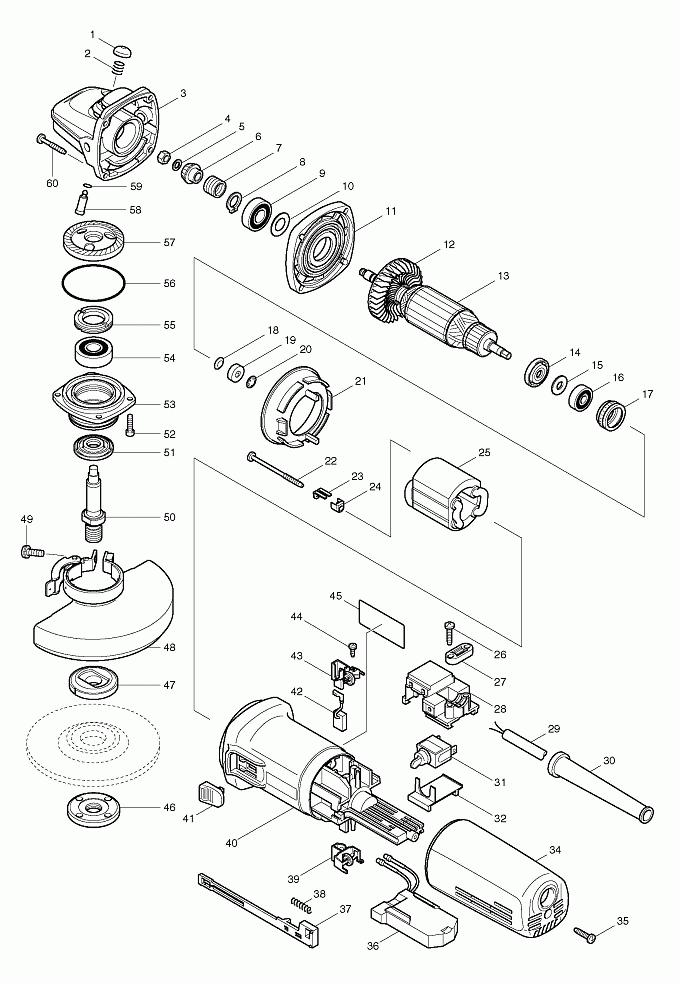
9562CH

Артикул
Наименование
Кол.
1
418067-8
Кнопка стопора для 9565/9565C/(new)
1
2
233072-2
Компрессионная пружина 8
1
3
153488-4
Корпус редуктора 9565/9562/(new)
1
4
931303-0
Шестигранная гайка M6 к 9565/
1
5
253077-6
Плоская шайба 6 к 9565/9910/
1
6
227513-8
SPIRAL BEVEL GEAR 11(new)
1
6
226794-1
Коническая спирал. шестерня 11
1
7
233901-9
Стопорная пружина 12 для 9562/
1
8
961052-5
Стопорное кольцо S-12 9555NB/
1
9
211142-7
Подшипник 6001LLB
1
10
253084-9
Плоская шайба 12 9565/BO6040/
1
11
317359-1
Крышка корпуса редуктора 9565/
1
13
515243-6
Pотор в сборе к 9562C/9562CV/
1
14
681656-4
Изоляционная шайба для 9565/
1
15
253823-7
Плоская шайба 7
1
16
210027-4
Подшипник 7/22
1
17
421738-8
Пыльник резиновый 22 для 9565/
1
18
267756-0
Волновая шайба 6 для BO6040/
1
19
688117-5
Магнитная втулка для GD0800C/(верс1)
1
20
259039-2
Стопорная шайба 6 4340/9566C/
1
21
413076-2
Защита статора для 9562/9565/
1
22
266259-1
Самонарезающий винт 4X60
2
23
344871-8
Держатель для 9562/9564/9565/
2
24
417237-6
Изоляционная втулка для 9565/
2
25
626568-4
Статор к 9562CH/9562CVH/9562C/(new)
1
26
265995-6
Самонарезающий винт 4X18
2
27
687124-5
Держатель кабеля к 3709/MT360/(new)
1
27
687052-4
Прижимная пластина к HR2450/
1
28
632945-0
Держатель выключателя к 9562/
1
29
665394-6
Кабель резиновый 1.0-2-2.5
1
30
682559-5
Усилитель кабеля 8 для 9558NB/
1
31
651418-4
Выключатель ST115A-40 к 9565/(верс1)
1
32
687113-0
Крышка корпуса для 9565/9562/
1
34
417183-3
Задняя крышка корпуса к 9565/
1
35
265995-6
Самонарезающий винт 4X18
1
36
631386-7
Контроллер для 9562C/9562CH
1
37
417187-5
Рычаг выключателя для GD0800C/
1
38
233071-4
Компрессионная пружина 4
1
39
643760-7
Щеткодержатель для 9565/9564/
1
40
453294-0
MOTOR HOUSING(new)
1
40
451779-0
MOTOR HOUSING(верс2)
1
40
417812-8
Корпус мотора к GD0800C/9562/(new)
1
41
417813-6
Кнопка выключателя для 9565/(new)
1
42
191978-9
Угольные щетки CB-318 автооткл(new)
1
43
643760-7
Щеткодержатель для 9565/9564/
1
44
266256-7
Самонарезающий винт PT3X10
4
45
864369-4
9562CH NAME PLATE(new)
1
45
862828-2
9562CH NAME PLATE(верс1)
1
46
224554-5
Гайка прижимная 14-45(new)
1
47
224415-9
Внутренний фланец(new)
1
47
224298-7
Внутренний фланец 42(верс1)
1
48
123145-8
TOOLLESS WHEELCOVER 125AK ASSY(new)
1
48
122895-2
Кожух диска 5021(верс2)
1
48
135108-2
Кожух диска 9562/9565(new)
1
49
265180-1
Винт M5X16(new)
1
49
251391-4
Винт M5X16
1
50
324035-0
Шпиндель для 9562/9564/9565/(new)
1
51
415300-9
Пыльник к 9541/9542/9562/9564/
1
52
265490-6
Болт с внутр.шестигран. M4X16(new)
4
53
318334-0
Корпус подшипника(new)
1
53
318302-3
Корпус подшипника(new)
1
53
317570-5
Корпус подшипника к 9564/9565/(верс2)
1
54
211129-9
Подшипник 12/32
1
55
285841-7
Фиксатор подшипника для 9565/
1
56
213673-2
О-кольцо 52 резиновое
1
57
227514-6
SPIRAL BEVEL GEAR 38(new)
1
57
226795-9
Коническая спирал. шестерня 38(верс1)
1
58
256459-1
Шпилька для 9565/9562/9564
1
59
213048-5
О-кольцо 6 резиновое 9565/
1
60
266257-5
Самонарезающий винт 4X28
4
12
240033-5
Крыльчатка 57 для 9565/9566
1
1001
153489-2
Боковая ручка 36 для MT953(new)
1
1001
152490-4
Боковая ручка 36
1
1002
782423-1
Ключ зажимной гайки 35 9558NB/
1
1002
782407-9
Ключ зажимной гайки MA415
1
1003
D-18465
Диск шлиф./металл 125х6х22.23(new)
1


Войти Регистрация
Корзина0 позиций на сумму 0 руб.