Омск +7(3812) 999-654, 999-624 Заказать звонок
Адрес: ул.Богдана Хмельницкого 283/3
Время работы: ПН-ПТ 9-18, СБ, ВС - выходной
Войти Регистрация
Корзина0 позиций
на сумму 0 руб.

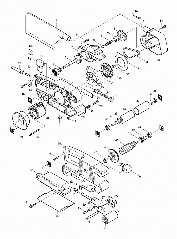
9911

Артикул
Наименование
Кол.
1
122548-3
Пылесборник для 9910/9911
1
2
265999-8
Самонарез. винт. фланец 4X25(верс2)
4
3
222144-8
Шкив 8.5-45.1 к 9910/9911
1
4
210005-4
Подшипник 608DDW
1
5
226494-3
Косозубая шестерня 6
1
6
212009-2
Игольчатый подшипник 509
1
7
416420-2
Корпус
1
8
153252-3
Косозубая шестерня 31 с валом
1
9
253758-2
Плоская шайба 10
1
10
211061-7
Подшипник 10/26
1
11
650232-5
SWITCH TGL215CDT-1(new)
1
11
651285-7
Выключатель для 9910/9911
1
12
682502-4
Усилитель кабеля 8-85 к 1806B/
1
13
665394-6
Кабель резиновый 1.0-2-2.5
1
13
666066-6
Кабель пластиковый 1.00-2-2.5
1
14
687052-4
Прижимная пластина к HR2450/
1
14
687063-9
Зажим кабеля желтый (ME25)
1
15
265995-6
Самонарезающий винт 4X18
2
16
416418-9
Защита статора для 9910/9911
1
17
266052-3
Самонарез. винт. фланец PT4X60
2
18
633393-6
Cтатор 240В для 9910/9911
1
19
931202-6
Шестигранная гайка M5 HR2430/
1
20
150958-4
Левая часть корпуса 9910/11
1
21
233219-8
Компрессионная пружина 6
1
23
911252-7
Винт M5X30 для 2708/9910/9911
1
24
859230-8
Маркировочная табличка к 9911
1
25
643550-8
Колпачок щеткодержателя 5-8
2
26
191940-4
Угольные щетки CB-411
1
27
643922-7
Щеткодержатель для JN1601/
2
28
416416-3
Направляющая воздушного потока
1
29
241660-1
Крыльчатка 68 для 9910/9911
1
30
252153-3
Шестигр. гайка M6-10
1
31
344584-1
Пластина для модели 9910/9911
1
32
225079-2
Ремень 6-300 к 9910/9911
1
33
183021-8
Защита ремня для 9911
1
34
265999-8
Самонарез. винт. фланец 4X25(верс2)
4
35
267177-6
Плоская шайба 12 для 9910/9911
1
36
253865-1
Плоская шайба 8
1
37
422032-1
Резиновая втулка 29 для 9910/
1
38
316971-4
Ведущий ролик (металл) к 9910/
1
39
252154-1
Гайка M8-13
1
40
253077-6
Плоская шайба 6 к 9565/9910/
1
41
210022-4
Подшипник 626DDW
1
42
210023-2
Подшипник 7/22
1
43
253823-7
Плоская шайба 7
1
44
681658-0
Изоляционная шайба к 9910/9911
1
45
517243-2
Pотор в сбope для 9910/9911
1
46
240008-4
Крыльчатка 60 для 9910/9911
1
47
211021-9
Подшипник 607LLB
1
48
182982-9
Правая часть корпуса 9911
1
49
265999-8
Самонарез. винт. фланец 4X25(верс2)
7
50
416419-7
Башмак для модели 9910/9911
1
51
265999-8
Самонарез. винт. фланец 4X25(верс2)
2
52
344586-7
Стальная пластина к 9910/9911(new)
1
52
345503-0
Стальная пластина к 9910/9911(верс2)
1
52
344586-7
Стальная пластина к 9910/9911(new)
1
53
233221-1
Компрессионная пружина 12
1
54
231038-6
Компрессионная пружина 6
1
55
819063-3
Этикетка с эмблемой Макита S
1
56
344585-9
Рычаг для модели 9910/9911
1
57
150837-6
Кронштейн натяж. ведом. ролика
1
58
267731-6
Тарельчатая шайба 4 для 9920/
1
59
416417-1
Ролик к 9404/9903/9910/ пласт.
1
60
265059-6
Ступенчатый винт М4
1
61
323776-5
Вал ведомого ролика для 9910/
1
62
152585-3
Ролик передний для 9910 пласт.
1
63
961004-6
Стопорное кольцо S-8 к 4341CT/
1
64
631678-4
Контроллер к 4305T/9911/4305/(new)
1
64
631202-3
Контроллер 200-240V 4305T/9911(верс1)
1
66
344703-9
Токоприемник для 9910/9911
1
67
344701-3
Пластина заземления
1
1001
193957-3
ABRASIVE BELT SET
1
1001
794551-0
Шлиф. лента 76x457 WA80 9910/
1
1002
824982-0
Пластиковый чемодан(new)
1
1002
824733-1
PLASTIC CARRYING CASE(верс1)
1
1003
837721-9
INNER TRAY(new)
1
1003
824732-3
INNER TRAY(верс1)
1
1004
794551-0
Шлиф. лента 76x457 WA80 9910/
1
5002
645146-1
NOISE SUPRESSOR(new)
1
5002
645200-1
Фильтр помех для 5012B/HR2400/
1


Войти Регистрация
Корзина0 позиций на сумму 0 руб.