Омск +7(3812) 999-654, 999-624 Заказать звонок
Адрес: ул.Богдана Хмельницкого 283/3
Время работы: ПН-ПТ 9-18, СБ, ВС - выходной
Войти Регистрация
Корзина0 позиций
на сумму 0 руб.

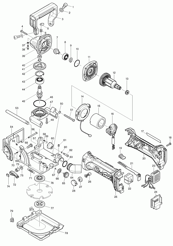
BPJ140

Артикул
Наименование
Кол.
1
922422-3
Болт с внутр.шестигран. М8Х16
2
2
941202-8
Плоская шайба 8 к 2106/DA6301/
2
3
453219-4
GRIP
1
4
266361-0
Самонарезающий винт 4X30(верс1)
4
5
417771-6
Кнопка стопорного штифта MT953
1
6
233072-2
Компрессионная пружина 8
1
7
227597-6
SPIRAL BEVEL GEAR 11
1
8
210042-8
Подшипник 629(new)
1
9
961005-4
Стопорное кольцо S-9 к 9069S/
1
10
213445-5
O-Кольцо 26 для MT950
1
11
317821-6
Корпус редуктора для 9558NB/
1
12
619294-2
ARMATURE
1
13
421977-0
Резиновое кольцо 13
1
14
631714-6
Светодиод для BGA452(CONT)/
1
15
638627-2
Обойма с магнитами для BGD800(new)
1
15
638376-1
Обойма с магнитами(верс1)
1
16
638979-1
ENDBELL COMPLETE
1
17
896987-0
BPJ140 NAME PLATE
1
18
266326-2
Самонарезающий винт 4х18(new)
5
19
419566-3
Кнопка выключателя для 9555NB/
1
20
187840-4
HOUSING SET(new)
1
20
188703-7
HOUSING SET(верс2)
1
21
419519-2
Рычаг выключателя для BGD800
1
22
650579-7
Выключатель к BGA452/BGA450
1
23
620242-6
CONTROLLER(new)
1
23
631712-0
Контроллер для BJS160(верс1)
1
24
643867-9
Контактный разъем для BKP140(new)
1
24
643811-6
Предохранитель(верс1)
1
25
187840-4
HOUSING SET(new)
1
25
188703-7
HOUSING SET(верс2)
1
26
191971-3
Угольные щетки CB-430
1
27
643954-4
Колпачок щеткодержателя 8443D/
2
28
419518-4
Держатель пластины для BGA452/
2
37
213960-9
О-Кольцо 5
1
38
256496-5
Шпилька 4
1
39
141400-6
GEAR HOUGING COMPLETE
1
40
210033-9
Шариковый подшипник 6/15
1
41
233950-6
Кольцевая пружина 11 GA4530
1
42
227598-4
SPIRAL BEVEL GEAR 36
1
43
962151-6
Стопорное кольцо R-32 9555NB/
1
44
211129-9
Подшипник 12/32
1
45
326120-5
Шпиндель для модели PJ7000
1
46
213622-9
О-кольцо 45
1
47
318812-0
BEARING BOX
1
48
911136-9
Винт M4X20
4
50
931203-4
Шестигранная гайка M5
1
51
266741-0
Болт с плоск.шляпкой PJ7000
1
53
326145-9
Шток 10
2
54
141247-8
Направляющий угольник PJ7000
1
55
961017-7
Стопорное кольцо E-3 к HR2450/
2
56
256689-4
Шпилькa 4
2
57
318813-8
Основание для PJ7000
1
58
231282-5
Компрессионная пружина 2.4
1
59
216001-0
Стальной шарик 3.5
1
60
318814-6
Крышка корпуса кривошипа
1
61
266264-8
Винт с внутр.шестигран. M5X6
2
62
266738-9
Винт М4 PJ7000
1
63
213008-7
О-кольцо 22.4 резиновое
1
64
415252-4
Переходник пылесборника к 3901
1
65
265785-7
Винт-барашек M5X10 к BKP180
1
66
232131-9
Плоская пружина
1
67
213023-1
О-кольцо 4 резиновое HR3000C/
1
68
266737-1
Болт с плоск.шляпкой
1
69
231282-5
Компрессионная пружина 2.4
1
70
216001-0
Стальной шарик 3.5
1
71
231795-6
Натяжная пружина 8
2
72
272263-0
Рычаг для PJ7000
1
73
252159-1
Шестигр. гайка M6
1
74
961014-3
Стопорное кольцо E-8 к 9032/
1
75
253804-1
Плоская шайба 6
1
76
224280-6
Внутренний фланец 40
1
77
224505-8
Гайка прижимная 10-40
1
78
318845-5
Кожух диска
1
79
424479-5
Резиновый наконечник
2
80
213023-1
О-кольцо 4 резиновое HR3000C/
1
1001
123149-0
Упор для PJ7000
1
1002
123150-5
Пылесборник
1
1003
415579-2
Установочная пластина 4 3901
1
1004
B-20644
Шпоночная фреза 100 х 22 х 6T(new)
1
1005
782401-1
Ключ зажимной гайки 20
1
1006
***DC18RC
DC18RA FAST CHARGER(верс1)
1
1007
194065-3
Аккумулятор(верс1)
2
1008
450128-8
Крышка аккумулятора для BTM40
1
1009
141533-7
PLASTIC CARRYING CASE COMPLETE
1
1010
898320-2
BPJ140RFE CASE LABEL
2


Войти Регистрация
Корзина0 позиций на сумму 0 руб.