Омск +7(3812) 999-654, 999-624 Заказать звонок
Адрес: ул.Богдана Хмельницкого 283/3
Время работы: ПН-ПТ 9-18, СБ, ВС - выходной
Войти Регистрация
Корзина0 позиций
на сумму 0 руб.

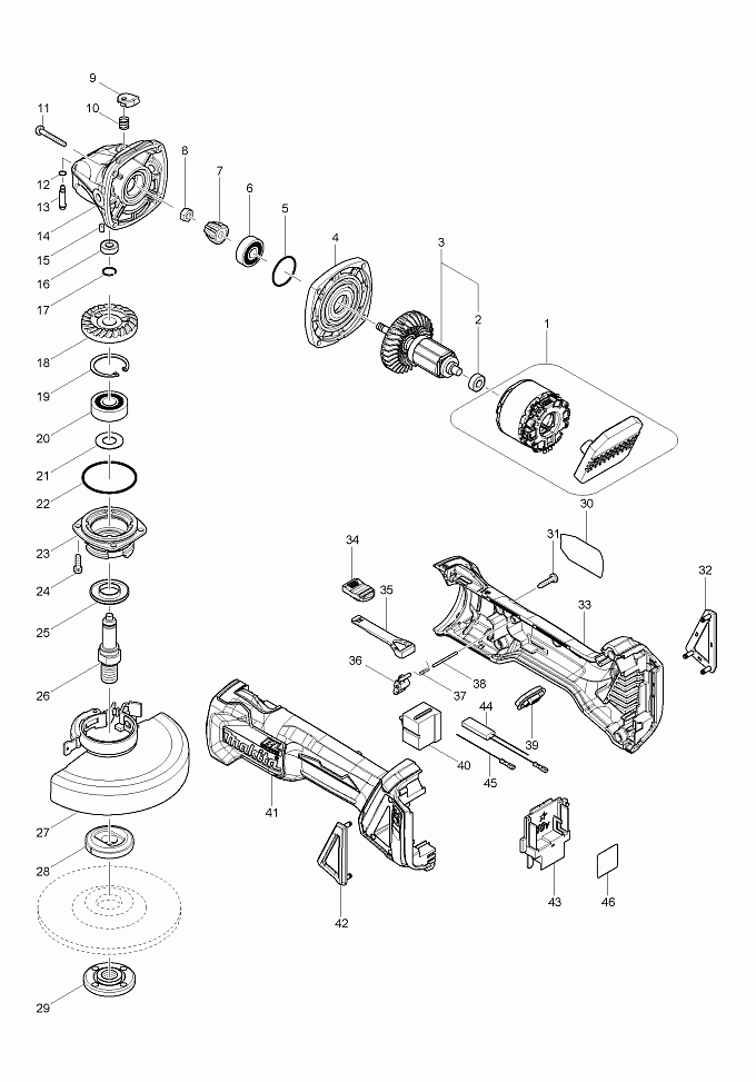
DGA504

Артикул
Наименование
Кол.
1
629140-1
STATOR COMPLETE
1
2
210034-7
Подшипник
1
3
519378-5
ROTOR ASS'Y(new)
1
3
519354-9
ROTOR ASS'Y
1
4
319214-3
GEAR HOUSING COVER
1
5
213445-5
O-Кольцо 26 для MT950
1
6
210042-8
Подшипник 629(new)
1
7
227541-3
Коническая спирал.шестерня 10
1
8
252186-8
Шестигр. гайка M6
1
9
417771-6
Кнопка стопорного штифта MT953
1
10
233072-2
Компрессионная пружина 8
1
11
266361-0
Самонарезающий винт 4X30(верс1)
4
12
213960-9
О-Кольцо 5
1
13
256546-6
Стопорный штифт 4
1
14
319213-5
GEAR HOUSING
1
15
263002-9
Резиновая шпилька 4
1
16
210033-9
Шариковый подшипник 6/15
1
17
233950-6
Кольцевая пружина 11 GA4530
1
18
227641-9
SPIRAL BEVEL GEAR 37
1
19
962151-6
Стопорное кольцо R-32 9555NB/
1
20
211129-9
Подшипник 12/32
1
21
267113-2
Плоская шайба 12 для HR4000C/
1
22
213622-9
О-кольцо 45
1
23
318331-6
Корпус подшипника(new)
1
24
911121-2
Винт M4X14 для 9522NB/1100/
4
25
345464-4
Лабиринтное кольцо для 9555NB/
1
26
324954-0
Шпиндель
1
27
123145-8
TOOLLESS WHEELCOVER 125AK ASSY(new)
1
28
224415-9
Внутренний фланец(new)
1
29
224554-5
Гайка прижимная 14-45(new)
1
30
850J42-2
DGA504 NAME PLATE
1
31
266326-2
Самонарезающий винт 4х18(new)
5
32
455450-8
DUST COVER R
1
33
187998-9
MOTOR H0USING SET
1
34
455447-7
SWITCH KNOB
1
35
455446-9
SWITCH LEVER
1
36
455448-5
LEVER
1
37
231679-8
TORSION SPRING 2
1
38
268330-7
PIN 2
1
39
142901-7
INDICATOR PANEL COMPLETE
1
40
650579-7
Выключатель к BGA452/BGA450
1
41
187998-9
MOTOR H0USING SET
1
42
455449-3
DUST COVER L
1
43
643899-6
TERMINAL
1
44
632E34-1
RESISTOR UNIT
1
45
632E33-3
LEAD UNIT
1
46
850J49-8
DGA504 SERIAL NO. LABEL
1
1001
A-80656
GRINDING WHEEL 125X6X22(A36P)(верс1)
1
1002
158237-4
GRIP 36 COMPLETE
1
1003
782423-1
Ключ зажимной гайки 35 9558NB/
1
1004
***DC18RC
DC18RA FAST CHARGER(верс1)
1
1005
196015-4
BATTERY BL1830 SET(верс6)
2
1005
196400-1
BATTERY BL1840 SET(верс1)
2
1006
450128-8
Крышка аккумулятора для BTM40
1
1007
821636-0
PLASTIC CASE
1


Войти Регистрация
Корзина0 позиций на сумму 0 руб.