Омск +7(3812) 999-654, 999-624 Заказать звонок
Адрес: ул.Богдана Хмельницкого 283/3
Время работы: ПН-ПТ 9-18, СБ, ВС - выходной
Войти Регистрация
Корзина0 позиций
на сумму 0 руб.

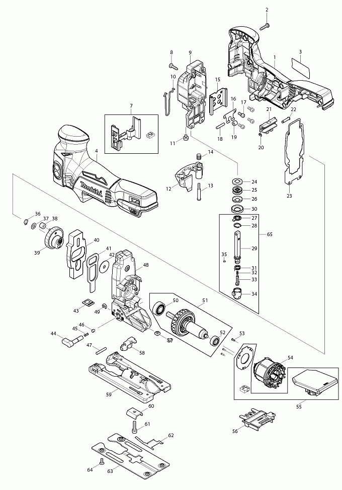
DJV181

Артикул
Наименование
Кол.
1
187704-2
HOUSING SET
1
2
265995-6
Самонарезающий винт 4X18
7
3
814S24-2
DJV181 NAME PLATE
1
4
187704-2
HOUSING SET
1
8
266034-5
Самонарезающий винт CT4X16
4
9
142112-4
GEAR HOUSING COVER COMPLETE
1
10
326302-9
SAFETY WIRE
1
11
911104-2
PAN HEAD SCREW M4X6
1
12
454483-0
TOOL OPENER
1
13
265026-1
Винт (+) М4
1
14
231659-4
Торсионная пружина 6
1
15
346687-7
LINEAR GUIDE
1
16
232207-2
Плоская пружина 4340/4341/T/CT
1
17
911111-5
Винт M4X10
4
18
256117-9
Шпилька 4
1
19
214031-5
Подшипник скольжения 4
1
20
961017-7
Стопорное кольцо E-3 к HR2450/
1
21
310548-7
SLIDER
1
22
268090-1
Шпилька 4 для 4340T/4341T/
1
23
442195-7
GASKET
1
24
267854-0
CAP WASHER 8
1
25
421815-6
Сальник 8
1
26
267854-0
CAP WASHER 8
1
27
424569-4
DUST COVER
1
28
962063-3
Стопорное кольцо R-13
1
29
165724-6
ROD
1
30
257347-5
RING 21
1
31
233591-8
Торсионная пружина 10
1
32
233314-4
Компрессионная пружина 4
1
33
310485-5
Штифт стопора
1
34
310547-9
BLADE HOLDER
1
35
256528-8
Шпилька 2
1
36
961002-0
Стопорное кольцо S-6 к 4329/
1
37
253715-0
Плоская шайба 6
1
38
212092-9
NEEDLE BEARING 407(new)
1
38
212014-9
Игольчатый подшипник 407
1
39
142109-3
GEAR COMPLETE
1
40
313260-8
BALANCE PLATE
1
41
346688-5
PUSH PLATE
1
42
253196-8
Плоская шайба 6
1
43
454484-8
SEAL PLATE
1
44
272280-0
LEVER 17(new)
1
44
272244-4
Рычаг 17 для 4350FCT(верс1)
1
45
233139-6
Компрессионная пружина 3
1
46
286032-3
Резиновый наконечник 5
1
47
268063-4
Шпилька 4х24.8 к 4340T/4341C/
1
48
142111-6
GEAR HOUSING COMPLETE
1
49
961018-5
Стопорное кольцо E-5 к LS1013/
1
50
210059-1
Подшипник 10/26
1
52
210022-4
Подшипник 626DDW
1
53
266490-9
TAPPING SCREW PT 2X6
3
54
629996-2
STATOR
1
56
643899-6
TERMINAL
1
57
252171-1
Квадратная гайка M5-8 4341T/
1
58
142110-8
RETAINER COMPLETE
1
59
319016-7
BASE
1
60
345237-5
Кривошипный диск для 4350FCT
1
61
922231-0
Болт с внутр.шестигран. М5Х20
1
62
232208-0
Плоская пружина 4340/4341T/CT
1
63
346685-1
BASE PLATE
1
64
265085-5
+ COUNTERSUNK HEAD SCREW M4X8
4
7
632A96-5
SWITH UNIT
1
51
519329-8
ROTOR ASS'Y
1
55
620214-1
CONTROLLER
1
65
135602-4
ROD ASS'Y
1
1001
126331-0
DUST NOZZLE ASSEMBLY
1
1002
415524-7
Противоскольная пластина для л
1
1003
417852-6
Пластина-накладка на подошву
1
1004
A-85737
Пилка для лобзиков № В22 5 шт.(new)
1
1005
A-85628
Пилка для лобзиков № В10 5 шт.(new)
1
1006
A-85793
Пилка для лобзиков № BR13 5шт.(new)
1
1007
783202-0
Шестигранный ключ 4 к 4341CT/
1
1008
821551-8
CONNECTOR PLASTIC CASE (TYPE3)
1
1009
837789-5
INNER TRAY
1
1010
801Y34-4
DJV181RFJ PLASTIC CASE LABEL
2
1010
801Y42-5
DJV181RMJ PLASTIC CASE LABEL
2
1010
801Y32-8
DJV181RF1J PLASTIC CASE LABEL
2
1010
801Y40-9
DJV181RM1J PLASTIC CASE LABEL
2
1010
804H94-3
DJV181RTJ PLASTIC CASE LABEL
2
1011
***DC18RC
DC18RA FAST CHARGER(верс1)
1
1012
196672-8
BATTERY BL1850 SET(верс1)
2
1012
196400-1
BATTERY BL1840 SET(верс1)
1
1012
196015-4
BATTERY BL1830 SET(верс6)
1
1013
450128-8
Крышка аккумулятора для BTM40
1
1013
801Y31-0
DJV181RF1J INDICATION LABEL
1
1013
801Y39-4
DJV181RM1J INDICATION LABEL
1
1014
801Y41-7
DJV181RMJ INDICATION LABEL
1
1014
801Y33-6
DJV181RFJ INDICATION LABEL
1
1014
804H93-5
DJV181RTJ INDICATION LABEL
1


Войти Регистрация
Корзина0 позиций на сумму 0 руб.