Омск +7(3812) 999-654, 999-624
Адрес: ул.Богдана Хмельницкого 283/3
Время работы: ПН-ПТ 9-18, СБ, ВС - выходной
Войти Регистрация
Корзина0 позиций
на сумму 0 руб.

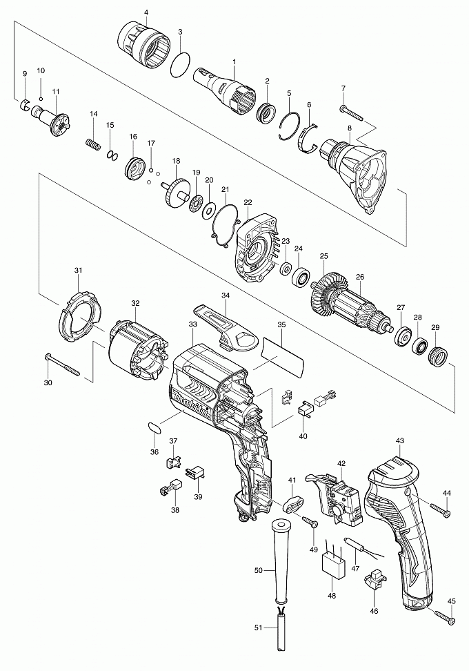
FS4300

Артикул
Наименование
Кол.
1
158875-2
Ограничитель
1
2
424163-2
Пыльник
1
3
424235-3
Резиновая прокладка
1
4
455591-0
LOCK RING(new)
1
4
450881-6
Стопорное кольцо(верс1)
1
5
233974-2
Кольцевая пружина 33(верс1)
1
6
232245-4
Плоская пружина для BFS440
1
7
266361-0
Самонарезающий винт 4X30(верс1)
3
8
158882-5
Корпус редуктора
1
9
232050-9
Плоская пружина 6701B/6807/
1
10
216001-0
Стальной шарик 3.5
1
11
158886-7
Шпиндель
1
14
234121-8
Компрессионная пружина 10
1
15
267202-3
Плоская шайба 8 для 6823/6824/
2
16
223170-0
Муфта сцепления
1
17
216008-6
Стальной шарик 4
3
18
158884-1
Редуктор в сборе
1
19
216415-3
Подшипник скольжения 821
1
20
216212-7
Шайба 821
1
21
424162-4
Резиновая прокладка
1
22
158874-4
Крышка корпуса редуктора
1
23
451099-2
Кольцо 7
1
24
210007-0
Подшипник 608VV
1
26
515759-1
Ротор в сборе 240V
1
27
681636-0
Изоляционная шайба для HR2450/
1
28
210062-2
Подшипник 607ZZ
1
29
421868-5
Лабиринтное резин. кольцо 19
1
30
266467-4
Самонарезающий винт 4X50
2
31
450880-8
Защита статора
1
32
633693-4
Статор
1
33
450878-5
Корпус двигателя
1
34
162272-6
Держатель ножа
1
35
866576-5
FS4300 NAME PLATE
1
36
890670-1
4000RPM INDICATION LABEL(new)
1
36
808575-1
4000RPM INDICATION LABEL(верс1)
1
37
689111-0
Прокладка для HR2450/HP2050/
2
38
191962-4
Угольные щетки CB-419
1
39
643948-9
Щеткодержатель
1
40
643951-0
Щеткодержатель
1
41
687124-5
Держатель кабеля к 3709/MT360/(new)
1
42
650614-1
Выключатель FS2300/6300
1
43
158878-6
Крышка рукоятки в сб.
1
44
266374-1
Самонарезающийся винт 4*25
1
45
266374-1
Самонарезающийся винт 4*25
2
46
631939-2
Светодиодная лампа
1
47
646122-8
Магнето
1
48
645253-0
Фильтр помех для 9542/HR2450/
1
49
265995-6
Самонарезающий винт 4X18
2
50
682559-5
Усилитель кабеля 8 для 9558NB/
1
51
695034-2
Кабель резиновый 1.0-2-4.0
1
25
240083-0
Крыльчатка 52
1
52
892811-5
CLEAR LABEL(new)
1
52
819349-5
CLEAR LABEL(верс1)
1
53
423413-2
Резиновая подошва
1
1001
784261-7
+BIT 2-25(new)
2
1002
784811-8
Магнитный держатель 6.35-60мм.(new)
1


Войти Регистрация
Корзина0 позиций на сумму 0 руб.