Омск +7(3812) 999-654, 999-624 Заказать звонок
Адрес: ул.Богдана Хмельницкого 283/3
Время работы: ПН-ПТ 9-18, СБ, ВС - выходной
Войти Регистрация
Корзина0 позиций
на сумму 0 руб.

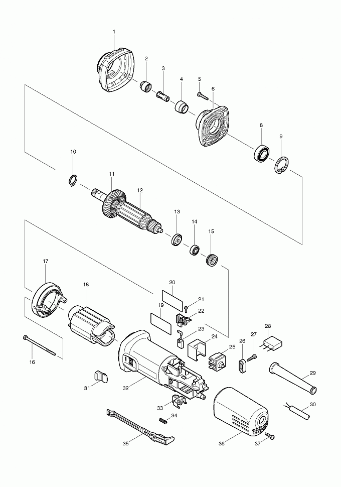
GD0602

Артикул
Наименование
Кол.
1
424164-0
Изоляционная втулка
1
2
763668-0
Гайка цанги
1
3
763670-3
Цанговый зажим 6 мм.
1
4
324995-6
Втулка 15
1
5
266324-6
Самонарезающийся винт PT 4X22
4
6
140091-0
Корпус подшипника для BGD801
1
8
211237-6
Подшипник 6002LLB
1
9
962151-6
Стопорное кольцо R-32 9555NB/
1
10
961055-9
Стопорное кольцо S-15 BO6030/
1
12
515744-4
Ротор в сборе 240V
1
13
681636-0
Изоляционная шайба для HR2450/
1
14
210034-7
Подшипник
1
15
421868-5
Лабиринтное резин. кольцо 19
1
16
266345-8
Самонарезающийся винт 4X80(верс1)
2
17
418770-1
Защита статора для 9558NB/
1
18
621724-1
Статор для модели GD0600
1
19
866084-6
GD0602 NAME PLATE
1
20
892295-7
CLEAR LABEL(new)
1
20
819329-1
CLEAR LABEL(верс1)
1
21
266007-8
Самонарез винт зажимной РT3X10
4
22
643760-7
Щеткодержатель для 9565/9564/
1
23
194074-2
Угольные щетки СВ-325
1
24
418729-8
Прокладка для 9557NB/9558NB/
1
25
651947-7
Выключатель для 9554NB/9557NB(new)
1
25
650560-8
Выключатель для 9554NB/9557NB/(new)
1
26
687124-5
Держатель кабеля к 3709/MT360/(new)
1
27
266326-2
Самонарезающий винт 4х18(new)
2
28
645233-6
Фильтр помех(верс1)
1
29
682559-5
Усилитель кабеля 8 для 9558NB/
1
30
665394-6
Кабель резиновый 1.0-2-2.5
1
31
419566-3
Кнопка выключателя для 9555NB/
1
32
418725-6
Корпус мотора к 9557NB/9558NB(верс1)
1
33
643760-7
Щеткодержатель для 9565/9564/
1
34
233121-5
Компрессионная пружина 4
1
35
418728-0
Рычаг переключения для 9557NB/
1
36
418726-4
Задняя крышка корпуса 9555NB/
1
37
266326-2
Самонарезающий винт 4х18(new)
1
11
240111-1
Крыльчатка 56
1
1001
781039-9
Гаечный ключ 13
2


Войти Регистрация
Корзина0 позиций на сумму 0 руб.