Омск +7(3812) 999-654, 999-624 Заказать звонок
Адрес: ул.Богдана Хмельницкого 283/3
Время работы: ПН-ПТ 9-18, СБ, ВС - выходной
Войти Регистрация
Корзина0 позиций
на сумму 0 руб.

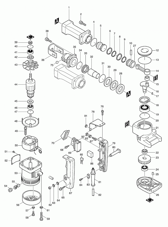
HM1200

Артикул
Наименование
Кол.
1
151310-9
Цилиндр HM1200/1200B/1200K
1
2
922451-6
Болт с внутр.шестигран. М8Х30
4
4
213655-4
О-кольцо 56 резиновое
1
5
321732-9
Ударник для HM1200/В/К
1
6
412049-2
Поршневое кольцо 40 к HM1200/
1
7
341862-0
Внутреннее кольцо 36 к HM1200/
1
8
412049-2
Поршневое кольцо 40 к HM1200/
1
9
341862-0
Внутреннее кольцо 36 к HM1200/
1
10
256120-0
Шпилька 10
1
12
414218-1
Крышка кривошипа для HM1200/(new)
1
12
150369-3
Крышка кривошипа сборе(верс1)
1
13
213754-2
О-кольцо 71 резиновое
1
14
315419-3
Шатун для HM1200/HR5000/
1
15
212208-6
Игольчатый подшипник 1516
1
16
152180-9
Кривошип в сборе
1
17
254001-2
Сегментная шпонка 4
2
18
962251-2
Стопорное кольцо R-52 HR4000C/
1
19
211327-5
Подшипник 20/52(new)
1
19
211314-4
Подшипник 6304(верс1)
1
20
213656-2
О-кольцо 53 резиновое
1
21
156863-3
Корпус кривошипа к HM1200/В/К
1
22
213306-9
Сальник 20 для HM1200/B/K
1
23
221701-9
Косозубая шестерня 50
1
24
211209-1
Подшипник 6202
1
25
256111-1
Шпилька 6
1
26
157072-7
Корпус редуктора
1
27
321441-0
Поршень
1
28
267058-4
Плоская шайба 32 для HM1200
1
29
261054-4
Нейлоновая шайба 32
1
30
253845-7
Плоская шайба 31 HM1200/B
1
31
213604-1
О-кольцо 50 резиновое
1
32
322107-5
Боек для HM1200
1
33
213472-2
Х-кольцо 35
1
34
213464-1
О-кольцо 34 резиновое
1
35
321440-2
Ствол к HM1200
1
36
164617-4
Фиксатор инструмента
1
38
922451-6
Болт с внутр.шестигран. М8Х30
4
39
331180-4
Сальник для HM1200/1200B/1200K
1
40
213460-9
О-кольцо 35 резиновое
1
41
211206-7
Подшипник 15/35
1
42
213202-1
Пыльник 15 HM1200/2412N/2414/
1
43
241638-4
Крыльчатка 94 для HM1200
1
44
514778-4
Pотор в сборе HM1200B/HM1200K(new)
1
44
514778-4
Pотор в сборе HM1200B/HM1200K(new)
1
45
681635-2
Изоляционная шайба для HM1200/(new)
1
45
681624-7
INSULATION WASHER(верс1)
1
46
211087-9
Подшипник 6200DDW/
1
46
211066-7
Подшипник 10/30
1
47
213406-5
О-кольцо 30 резиновое
1
48
410163-8
Защита статора HM1200/HR3850
1
49
265347-1
Болт+ с шестигранной гол.M5X45
2
50
528910-4
Cтатор в сб. к HM1200/HR3850/
1
52
854979-5
Маркировочная табличка HM1200
1
53
159034-1
Корпус двигателя HM1200/B/K/(new)
1
53
159034-1
Корпус двигателя HM1200/B/K/(new)
1
54
643650-4
Колпачок щеткодерж-ля 6.5-13.5
2
55
181048-2
Угольные щетки CB-155 автооткл
1
56
284055-5
Задняя крышка корпуса HM1200/
1
57
942101-7
Шайба Гровера 5 к 1100/3708F/
2
58
922221-3
Болт с внутр.шестигран. М5Х16
2
58
922222-1
Болт с внутр.шестигран. М5Х16(new)
2
59
922371-4
Болт с внутр.шестигран. М6Х50
4
61
941151-9
Плоская шайба 6 для HR3000C/
4
62
931302-2
Шестигранная гайка M6 HR2400/
1
63
942151-2
Шайба Гровера 6 к 2400B/2412N/
1
64
941151-9
Плоская шайба 6 для HR3000C/
1
65
911243-8
Винт M5X25 к HR5000/4131/9901/
2
67
182077-8
Рукоятка в сборе
1
68
911129-6
Винт M4X16 для HR3520/HR3850/
1
69
651145-3
Выключатель C3D-H-MS к HM1200/
1
70
421265-5
Крышка пылесборника к HM1200/
1
75
216003-6
Стальной шарик 10
1
76
922316-2
Болт с внутр.шестигран. М6Х14
2
78
343755-7
Опора к HM1200/HM1200B/HM1200K
2
79
182077-8
Рукоятка в сборе
1
80
321210-9
Штифт ручки для HM0810/HR5000/
1
81
682540-6
Усилитель кабеля 9.3-90 2030/
1
82
665883-1
Кабель резиновый 1.0-2-5.0
1
83
687031-2
Держатель кабеля для HR5000K/
1
84
911133-5
Винт M4X18 к 1911B
2
85
645253-0
Фильтр помех для 9542/HR2450/
1
86
685700-9
Губчатая прокладка к 4105KB/
1
87
265914-2
Болт с внутр.шестигран. M6X25
2
91
262051-3
Резиновое кольцо 9
2
92
262052-1
Резиновое кольцо 9
2
93
257636-8
Bтулка 6 для HM0810/1200/3850/
2
72
416396-3
Основание рукоятки(new)
1
72
416010-1
Основание рукоятки(верс1)
1
72
343321-0
Основание бок.ручки HM1200/В(верс1)
1
74
417003-1
Боковая рукоятка для HR5001C/(new)
1
74
416009-6
Боковая рукоятка HR4000C/5001/(верс1)
1
74
343322-8
Боковая рукоятка HM1200(верс1)
1
94
416396-3
Основание рукоятки(new)
1
94
416010-1
Основание рукоятки(верс1)
1
95
265439-6
Болт с шестигранной гол.M8X150
1
95
952257-8
Пружинный штифт 3.0-20 HM1303/(верс1)
2
96
152620-7
Хомут боковой рукоятки HM1100/(new)
1
96
344559-0
Хомут бок. ручки 60 к HM1200B/(верс2)
1
96
344379-2
Хомут боковой ручки 60(верс1)
1
97
252640-2
Барашковая гайка M8 HR4000C/
1
98
417002-3
Втулка боковой рукоятки
2
99
819063-3
Этикетка с эмблемой Макита S
2
400
783202-0
Шестигранный ключ 4 к 4341CT/
1
403
D-16499
BULL POINT 320(new)
1
403
798025-3
BULL POINT 320(верс1)
1
404
150583-1
Пластиковый чемодан(new)
1
404
182698-6
Металлический чемодан(верс1)
1
408
835258-0
INNER CASE
1


Войти Регистрация
Корзина0 позиций на сумму 0 руб.