Омск +7(3812) 999-654, 999-624 Заказать звонок
Адрес: ул.Богдана Хмельницкого 283/3
Время работы: ПН-ПТ 9-18, СБ, ВС - выходной
Войти Регистрация
Корзина0 позиций
на сумму 0 руб.

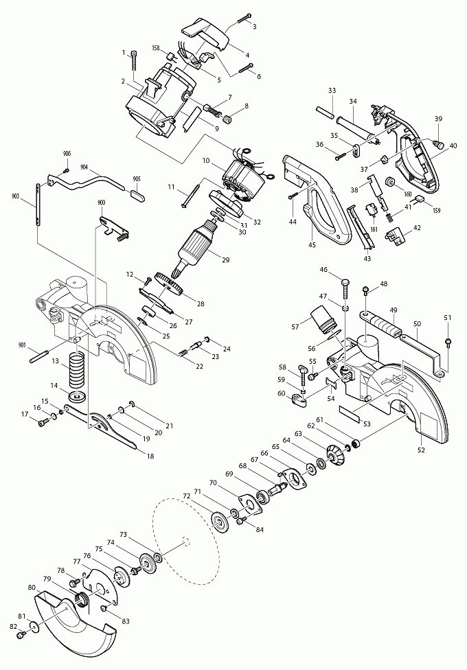
LS1013

Артикул
Наименование
Кол.
1
911373-5
Винт M6X50 к LS1013/LS1214/
4
2
154568-9
Корпус двигателя в сб.
1
3
265995-6
Самонарезающий винт 4X18
2
4
416075-3
Задняя крышка корпуса двигател
1
5
631219-6
Контроллер для модели LS1013
1
6
265995-6
Самонарезающий винт 4X18
1
7
181044-0
Угольные щетки CB-153
1
8
643650-4
Колпачок щеткодерж-ля 6.5-13.5
2
9
858580-8
Маркировочная табличка LS1013
1
10
599506-8
Cтатор в сбоpe 220В для LS1013
1
11
266029-8
Самонарез. винт. фланец PT5X65
2
12
911223-4
Винт M5X16 для HR5001C/2030/
2
13
233165-5
Компрессионная пружина 28
1
14
344464-1
Держатель пружины для LS1013/
1
15
257163-5
Kольцо 6 на LS1013/800D/BLS820
1
16
253804-1
Плоская шайба 6
1
17
922331-6
Болт с внутр.шестигран. М6Х20
1
18
344415-4
Соединительная пластина
1
19
257163-5
Kольцо 6 на LS1013/800D/BLS820
1
20
253804-1
Плоская шайба 6
1
21
961018-5
Стопорное кольцо E-5 к LS1013/
1
22
231240-1
Компрессионная пружина 7
1
23
256633-1
Шпилька 6
1
24
231928-3
Кольцевая пружина 8
1
25
961057-5
Стопорное кольцо S-17 к 9029/
1
26
211275-8
Подшипник 17/35
1
27
285686-3
Фиксатор подшипника 94 LS1013
1
28
240001-8
Крыльчатка 80 для LS1013
1
29
516723-5
Pотор в сборе 220В для LS1013
1
30
681642-5
Шайба для HR5001C/HM1202C/
1
31
211061-7
Подшипник 10/26
1
32
416107-6
Защита статора для LS1013
1
33
665865-3
Кабель резиновый 1.0-2-2.5
1
34
682540-6
Усилитель кабеля 9.3-90 2030/
1
35
687052-4
Прижимная пластина к HR2450/
1
36
265995-6
Самонарезающий винт 4X18
2
37
414546-4
Наковальня для LS1013/LS1040/
1
38
416000-4
Рычаг предохранителя к LS1013/
1
39
411478-6
Кнопочный выключатель к 2414B/(верс1)
1
40
183840-2
Рукоятка корпуса LS1214
1
41
231457-6
Компрессионная пружина 3
1
42
651923-1
Выключатель TG70B для LS1013/
1
43
415999-0
Рычаг выключателя для LS1013/
1
44
265995-6
Самонарезающий винт 4X18
4
45
183840-2
Рукоятка корпуса LS1214
1
46
921467-8
Болт с шестигранной гол. M8X45
1
47
262003-4
Резиновое кольцо 6 на LS1013/
1
48
911323-0
Винт M6X16
1
49
421562-9
Боковая ручка
1
50
344420-1
Держатель ролика для LS1013/
1
51
911323-0
Винт M6X16
1
52
188386-3
Кожух диска(new)
1
52
154827-1
Кожух диска(верс1)
1
53
819214-8
Этикетка MAKITA для LS1013/(new)
1
53
819064-1
Этикетка с эмблемой Макита M
1
54
344045-1
деталь
1
55
911113-1
Винт M4X10 для LS1013/1911B/
1
56
213460-9
О-кольцо 35 резиновое
1
57
419277-0
Патрубок для пылесоса LS1013/(new)
1
58
265717-4
Винт M6x43
1
59
262001-8
Уретановое кольцо 5
1
60
317176-9
STOPPER ARM
1
61
211021-9
Подшипник 607LLB
1
62
961054-1
Стопорное кольцо S-14 HR5001C/
1
63
226742-0
Коническая спирал. шестерня 33
1
64
262074-1
Резиновое кольцо 20
1
65
267035-6
Плоская шайба 14 для LS1013/
1
66
316836-0
Корпус подшипника (А) к LS1013
1
67
254202-2
Шпонка 4
1
68
322899-6
Шпиндель для модели LS1013
1
69
211275-8
Подшипник 17/35
1
70
285828-9
Фиксатор подшипника 66 LS1013/
1
71
257022-3
Кольцо 16 для LS1013/1030/1040
1
72
224333-1
Фланец 53
1
73
257262-3
Кольцо 16
1
74
224333-1
Фланец 53
1
75
265355-2
Болт фланца шестигранный M8X20(верс1)
1
76
343639-9
Направ.втулка кожуха безопасн.
1
77
345226-0
Основание кожуха безопасности
1
78
265324-3
Болт фланца шестигранный M8X12
1
79
231593-8
Торсионная пружина 36
1
80
450047-8
Защитный кожух для LS1013
1
81
267136-0
Плоская шайба 5 для LS1013/
1
82
911213-7
Винт M5X12 для LS1013/1805B/
1
83
265008-3
Винт (+) с плоской головкой М5
1
84
911223-4
Винт M5X16 для HR5001C/2030/
2
158
645185-1
Конденсатор
1
159
645185-1
Конденсатор
1
160
688131-1
Фильтр MHW710(new)
1
161
651941-9
Выключатель V-15-2A5 к LS1013/
1
900
345616-7
Стопорная пластина для LS1013
1
901
324654-2
Штифт стопора 8 для LS1013
1
903
324640-3
Cтержень 8 для модели LS1013
1
904
345829-0
Рычаг для модели LS1013(new)
1
904
345606-0
Рычаг стопора для LS1013(верс1)
1
905
421589-9
Крышка маслянного канала
1
906
922107-1
Болт с внутр.шестигран.М4Х8
2
906
911113-1
Винт M4X10 для LS1013/1911B/
4
163
941201-0
Плоская шайба 8 к LS1013/4131/
1
164
231266-3
Компрессионная пружина 5
1
165
271601-3
Ручка-регулятор 20 для LS1013/
1
166
251961-9
Болт с внутр. шестигран. M6X10
1
907
911113-1
Винт M4X10 для LS1013/1911B/
2
1001
762001-3
Треугольник для установки ножа
1
1002
782212-4
Ключ гаечный торцовый 13 5016/
1
1003
122852-0
Пылесборник для LS1016(new)
1
1003
122523-9
Пылесборник LS1013/1040(ткань)(верс1)
1
1004
411478-6
Кнопочный выключатель к 2414B/(верс1)
2
1005
322932-4
Держатель 255 для LS1013/
2
1006
251887-5
Bинт M6x10 LS1013/
1
1007
322983-7
Зажимной стержень для LS1013
1
1008
271309-9
Ручка-регулятор 40 LS1013
1
1009
122538-6
Вертикальный зажим LS1013
1
1010
253804-1
Плоская шайба 6
1
1011
343651-9
Зажимная пластина LS1013/1030
1
1012
251370-2
Винт (+) M5
1
1013
151917-1
Блок подведения для точного ре
1
1014
251314-2
Винт (+) M4X12
2
5001
646049-2
Конденсатор к LS1013/JR3000VT/
1
5002
646080-8
Конденсатор к LS1013
1
5006
231633-2
Торсионная пружина 8
1
5020
B-04597
Диск 260x30/15.9x2.3x70T дер.
1
5024
153896-9
Дополнительный упор для LS1214
1
5027
421863-5
Крышка маслянного канала
1
5028
345494-5
Стопорное кольцо для LS1214/
1
5029
266050-7
Самонарез. винт. фланец PT4X30
2
5030
419075-2
ROD HOLDER
1
5031
961012-7
Стопорное кольцо E-6 к BLS820/
2
5032
345610-9
GUARD PLATE
1
5033
421916-0
Защитная пластина для LS1013/
1
5034
911114-9
Винт M4X10 к LS1013/1125/2012/
1
5037
251887-5
Bинт M6x10 LS1013/
2


Войти Регистрация
Корзина0 позиций на сумму 0 руб.