Омск +7(3812) 999-654, 999-624 Заказать звонок
Адрес: ул.Богдана Хмельницкого 283/3
Время работы: ПН-ПТ 9-18, СБ, ВС - выходной
Войти Регистрация
Корзина0 позиций
на сумму 0 руб.

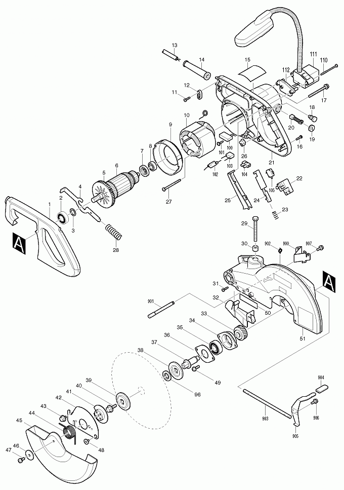
LS1040F

Артикул
Наименование
Кол.
1
416004-6
Крышка рукоятки LS1040/LS1040F
1
2
211206-7
Подшипник 15/35
1
3
267280-3
Плоская шайба 15 для LS1040/
1
4
343641-2
Стопорная ручка для LS1030/
1
6
516718-8
Pотор в сборе LS1040/LS1040F
1
7
681640-9
Изоляционная шайба для LS1040/
1
8
211061-7
Подшипник 10/26
1
9
416442-2
Защита статора LS1040/LS1040F
1
10
526068-3
Cтатор в сб. к LS1040/LS1040F
1
11
265995-6
Самонарезающий винт 4X18
2
12
687124-5
Держатель кабеля к 3709/MT360/(new)
1
12
687052-4
Прижимная пластина к HR2450/
1
13
665865-3
Кабель резиновый 1.0-2-2.5
1
14
682540-6
Усилитель кабеля 9.3-90 2030/
1
15
850407-8
NAME PLATE LS1040F
1
16
265995-6
Самонарезающий винт 4X18
3
17
911383-2
Винт M6X60 для LS1030/LS1040/
4
18
411478-6
Кнопочный выключатель к 2414B/(верс1)
1
19
643650-4
Колпачок щеткодерж-ля 6.5-13.5
2
20
181044-0
Угольные щетки CB-153
1
21
154562-1
Корпус мотора LS1040
1
22
651923-1
Выключатель TG70B для LS1013/
1
23
231457-6
Компрессионная пружина 3
1
24
416000-4
Рычаг предохранителя к LS1013/
1
25
415999-0
Рычаг выключателя для LS1013/
1
26
414546-4
Наковальня для LS1013/LS1040/
1
27
266029-8
Самонарез. винт. фланец PT5X65
2
28
231297-2
Компрессионная пружина 9
1
29
251667-9
Болт с шестигранной гол. M8X75
1
30
262511-5
Резиновая втулка 6 для LS1040/
1
31
265995-6
Самонарезающий винт 4X18
1
32
453695-2
Направляющая крышка к LS1040/(new)
1
32
416007-0
Направляющая крышка к LS1040/(верс1)
1
33
226465-0
Косозубая шестерня 42
1
34
316821-3
Корпус подшипника для LS1040/
1
35
211256-2
Подшипник 17/40
1
36
285685-5
Фиксатор подшипника 64 LS1040
1
37
322865-3
Шпиндель для LS1040/LS1040F/
1
38
224333-1
Фланец 53
1
39
224333-1
Фланец 53
1
40
265355-2
Болт фланца шестигранный M8X20(верс1)
1
41
343639-9
Направ.втулка кожуха безопасн.
1
42
344380-7
Основание кожуха безопасности(верс1)
1
43
265324-3
Болт фланца шестигранный M8X12
1
44
231593-8
Торсионная пружина 36
1
45
416003-8
Защитный кожух LS1040/LS1040F
1
46
267136-0
Плоская шайба 5 для LS1013/
1
47
911213-7
Винт M5X12 для LS1013/1805B/
1
48
265985-9
Болт с внутр.шестигран. M6
1
49
911223-4
Винт M5X16 для HR5001C/2030/
2
50
819214-8
Этикетка MAKITA для LS1013/(new)
1
51
141570-1
Кожух диска (металл)(new)
1
51
140655-0
Кожух диска (металл)(верс7)
1
51
188330-0
Кожух диска для LS1040(металл)(верс6)
1
96
257262-3
Кольцо 16
1
100
631588-5
Модуль плавн. пуска к LS1040F
1
101
266300-0
Самонарезающий винт 4X18
1
102
646073-5
Конденсатор к LS1040/LS1040F
1
103
645200-1
Фильтр помех для 5012B/HR2400/
1
104
654575-7
Предохранитель для LS1040F/
1
105
651941-9
Выключатель V-15-2A5 к LS1013/
1
110
266091-3
Самонарезающий винт 4X50
2
111
125180-2
Светодиодная лампа LS1040F
1
112
418072-5
Упор вала для модели LS1040
1
900
344572-8
Стопорная пластина для LS1040/
1
901
326176-8
Штифт стопора 8 для LS1040/(new)
1
901
323720-2
Штифт стопора 8 для LS1040/(верс1)
1
902
231633-2
Торсионная пружина 8
1
903
323721-0
Тяга рычага фиксатора 8 LS1040
1
904
421589-9
Крышка маслянного канала
1
905
346619-4
Стопорный рычаг(new)
1
905
345803-8
Стопорный рычаг(верс2)
1
906
911113-1
Винт M4X10 для LS1013/1911B/
2
907
911113-1
Винт M4X10 для LS1013/1911B/
2
5
241909-9
Крыльчатка 80 для LS1040
1
908
424018-1
Дополнительный упор
1
1001
411478-6
Кнопочный выключатель к 2414B/(верс1)
2
1002
762001-3
Треугольник для установки ножа
1
1003
782212-4
Ключ гаечный торцовый 13 5016/
1
1004
122852-0
Пылесборник для LS1016(new)
1
1004
122523-9
Пылесборник LS1013/1040(ткань)(верс1)
1
1005
195934-1
SUB PLATE ASSY(new)
1
1005
193471-9
SUB PLATE ASSY(верс1)
1
1006
122536-0
Зажим в сборе LS1030/LS1040/F(new)
1
1007
257022-3
Кольцо 16 для LS1013/1030/1040
1
1008
123101-8
Держатель для LS1030/LS1040(new)
2
1008
322312-4
Держатель для LS1030/LS1040/
2
1009
A-80961
Диск 255x30/15.88x2.3x32T дер.
1


Войти Регистрация
Корзина0 позиций на сумму 0 руб.