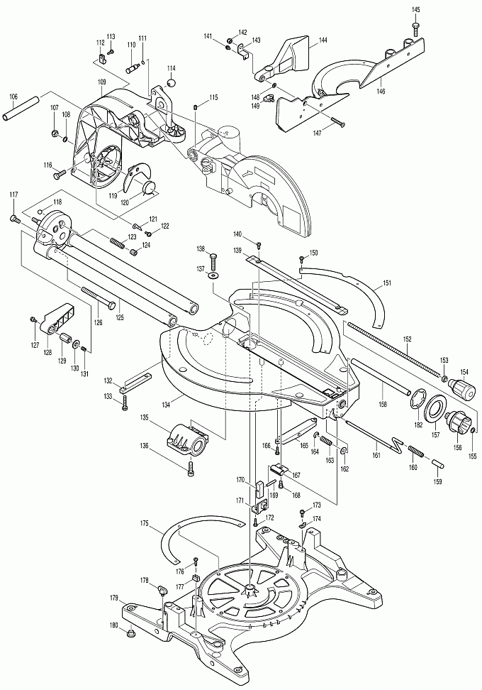
Трубка 16-113 к LS1013/2414NB/(new)
Трубка 16-113 к LS1013/2414NB/(new)
Шестигр.стопорная гайка М8-13
Плоская шайба 8 к LS1013/4131/
Держатель корпуса мотора(new)
Держатель корпуса мотора(верс1)
Штифт упора для LS1214/LS1214F
О-кольцо 7 резиновое LS1214
Держатель кабеля LS1013/2012NB
Самонарез винт зажимной CT4X12
Ручка-регулятор 20 для LS1013/
Болт с внутр. шестигран. M6X10
Болт с шестигранной гол. M8X28
Болт с шестигранной гол. M8X20(new)
Направляющая пластина LS1214/
Стрелка индикатора для LS1013/
Винт M4X10 к LS1013/1125/2012/
Болт M12X12 с внутр.шестигран.
Болт с шестигранной голM10X100
Винт M4X10 для LS1013/1911B/
Рычаг 100 для LS1013/LS1040/
Квадратный шток на LS1013
Болт с шестигранной гол. M6X35
Вращающееся основание LS1013/
Корпус подшипника в сб. LS1013
Болт с внутр.шестигран. М8Х30
Болт с шестигранной гол. M8X40
Планка для LS1013/ LS1214/
Самонарез винт зажимной CT4X12
Винт M4X8 LS1013/2012NB/2400B/
Пластина напр.угольника LS1013
Дополнительный упор для LS1214
Болт с шестигранной гол. M8X30
Направляющий упор для LS1214/
Потайной винт М6Х35 LS1013/
Самонарез винт зажимной CT4X12
Измерит. шкала LS1013/1214F
Винт M8x320 для LS1013/LS1014/
Шестигранная гайка M8 HR5001C/
Боковая рукоятка 40 к LS1013/
Плоская шайба 8 к LS1013/4131/
Ручка-регулятор 48 LS1013
Трубка 9-200 к LS1013/LS1214/(new)
Трубка 9-200 к LS1013/LS1214/(new)
Наконечник рычага 10 к LS1013/
Пружина для LS1013/LS1214/
Штифт стопора к LS1013/LS1214/
Стопорное кольцо E-5 к LS1013/
Самонарезающий винт CT4X16
Стопор скольжения для LS1013/
Фиксатор для LS1013/LS1214/
Держатель упора для LS1013/
Самонарезающий винт CT4X16
Самонарез винт зажимной CT4X12
Указатель для LS1013/5103R/
Пластина скольжения к LS1013/
Самонарезающий винт CT4X16
Основание в сборе для LS1214
Стопорное кольцо для LS1214/
Пылесборник для LS1016(new)
Пылесборник LS1013/1040(ткань)(верс1)
Зажим в сборе LS1214/LS1214F
Дополнительный упор для LS1214
Кнопочный выключатель к 2414B/(верс1)
Треугольник для установки ножа
Держатель 255 для LS1013/
Диск 305x30/15.9x2.7x70T дер.(new)
Диск 305x30/15.88x2.6x60T дер(верс1)
Ключ гаечный торцовый 13 5016/