Омск +7(3812) 999-654, 999-624 Заказать звонок
Адрес: ул.Богдана Хмельницкого 283/3
Время работы: ПН-ПТ 9-18, СБ, ВС - выходной
Войти Регистрация
Корзина0 позиций
на сумму 0 руб.

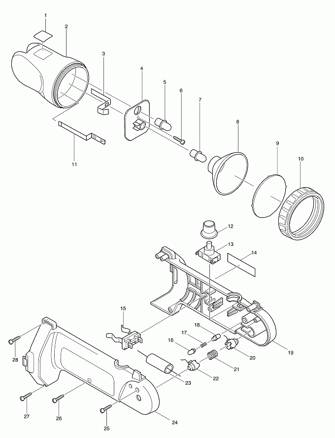
ML140

Артикул
Наименование
Кол.
1
819088-7
Этикетка с эмблемой Макита
1
2
GM00000020
Сопло
1
3
GM00000110
деталь
1
4
GM00000080
Пылеотражатель
1
5
A-83973
Лампа для фонаря 2шт.12-14.4В
1
6
GM00000150
Винт M3x12
1
7
A-83973
Лампа для фонаря 2шт.12-14.4В
1
8
GM00000130
Отражатель
1
9
GM00000070
Защитное стекло
1
10
GM00000010
Держатель рефлектора
1
11
GM00000120
деталь
1
12
421540-9
Крышка корпуса
1
13
651709-3
Выключатель для ML120/ML140/
1
14
859521-7
NAME PLATE ML140
1
15
643926-9
Контактный разъем для ML902/(верс1)
1
16
415811-4
деталь
1
17
GM00000090
Компрессионная пружина 4
1
18
415811-4
деталь
1
19
GM00000060
Левая часть корпуса ML140
1
20
632523-6
Конт. клемма (лев.) ML120/140/
1
21
GM00000100
Компрессионная пружина 7
1
22
632524-4
Штифт для ML120/ML140/ML702/
1
23
GM00000140
деталь
1
24
GM00000050
Правая часть корпуса ML140
1
25
265869-1
+ Самонарезающий винт 3X14
1
26
265869-1
+ Самонарезающий винт 3X14
1
27
265869-1
+ Самонарезающий винт 3X14
1
28
265869-1
+ Самонарезающий винт 3X14
1
1001
345261-8
Ограничитель длины ремня
2
1001
415812-2
Кнопка. регул-ая длину ремня(верс1)
2
1002
417926-3
Ремень переносной для ML902/
1
1002
415813-0
деталь(верс1)
1


Войти Регистрация
Корзина0 позиций на сумму 0 руб.