Омск +7(3812) 999-654, 999-624 Заказать звонок
Адрес: ул.Богдана Хмельницкого 283/3
Время работы: ПН-ПТ 9-18, СБ, ВС - выходной
Войти Регистрация
Корзина0 позиций
на сумму 0 руб.

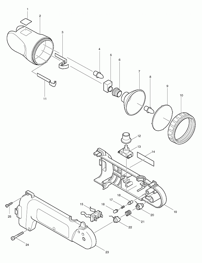
ML903

Артикул
Наименование
Кол.
1
819088-7
Этикетка с эмблемой Макита
1
2
415760-5
деталь
1
3
654136-3
Контактная пластина лампы
1
4
192545-3
Лампа накаливания 2 шт.. 9.6 В
1
5
415810-6
Пылеотражатель к ML902/ML903
1
6
415855-4
Держатель лампы к ML902/ML903/
1
7
163368-6
деталь
1
8
192545-3
Лампа накаливания 2 шт.. 9.6 В
1
9
415866-9
деталь
1
10
415807-5
Держатель рефлектора
1
11
654137-1
Контактная пластина лампы
1
12
421540-9
Крышка корпуса
1
13
651709-3
Выключатель для ML120/ML140/
1
14
859444-9
NAME PLATE ML903
1
15
643926-9
Контактный разъем для ML902/(верс1)
1
16
415811-4
деталь
1
17
233143-5
Компрессионная пружина 4
1
18
415811-4
деталь
1
19
182989-5
HOUSING SET
1
20
632523-6
Конт. клемма (лев.) ML120/140/
1
21
233144-3
Компрессионная пружина 7
1
22
632524-4
Штифт для ML120/ML140/ML702/
1
23
182989-5
HOUSING SET
1
24
911143-2
Винт M4X22 к 6317D/6312BR/
1
25
265869-1
+ Самонарезающий винт 3X14
3
1001
343579-1
Защелка аккумулятора к 1050D/
1
1002
345261-8
Ограничитель длины ремня
2
1003
417926-3
Ремень переносной для ML902/
1


Войти Регистрация
Корзина0 позиций на сумму 0 руб.