Омск +7(3812) 999-654, 999-624 Заказать звонок
Адрес: ул.Богдана Хмельницкого 283/3
Время работы: ПН-ПТ 9-18, СБ, ВС - выходной
Войти Регистрация
Корзина0 позиций
на сумму 0 руб.

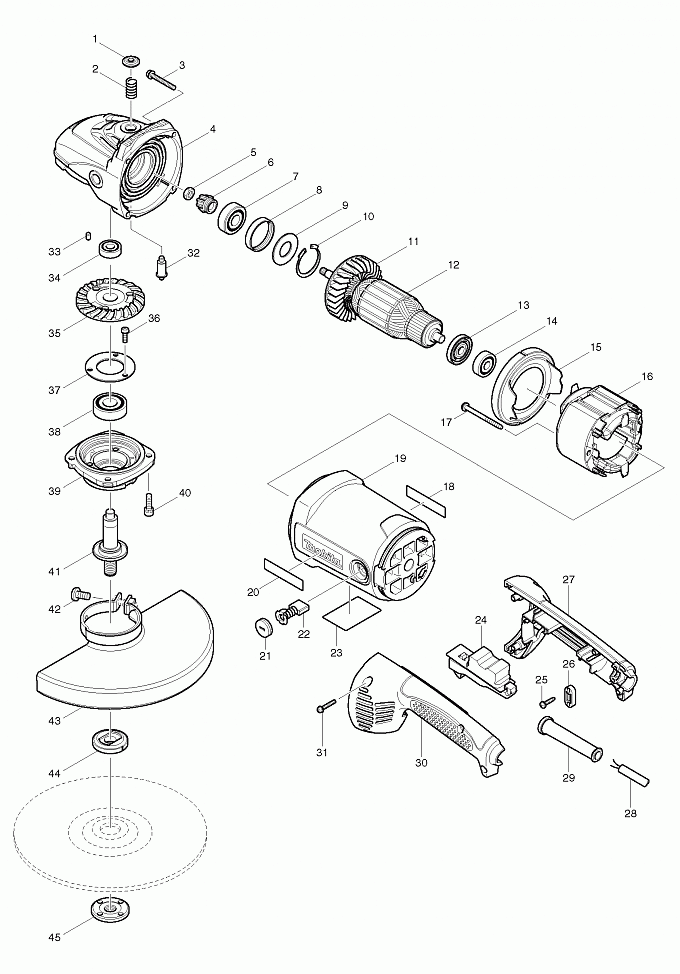
MT901

Артикул
Наименование
Кол.
1
419133-4
Кнопка стопорного штифта(new)
1
2
233292-8
Компрессионная пружина 12
1
3
265137-2
Винт M5x45
4
4
142751-0
GEAR HOUSING COMPLETE(new)
1
4
154679-0
Корпус редуктора MT900(верс1)
1
5
252194-9
Шестигранная гайка M8
1
6
227490-4
Коническая спирал. шестерня 12
1
7
210104-2
Подшипник 6301DDW(new)
1
7
210103-4
BALL BEARING 6301ZZ(верс1)
1
8
262085-6
Резиновое кольцо 38 9077/9079
1
9
267299-2
Плоская шайба 20 для GA7020/
1
10
962211-4
Стопорное кольцо R-42 HR3000C/
1
12
516948-1
Ротор в сборе 220-240
1
13
681630-2
Изоляционная шайба для 9069S/
1
14
210070-3
Подшипник 6200ZZ
1
15
419135-0
Защита статора для GA7020/
1
16
596279-4
Cтатор в сбоpe для MT900
1
17
266352-1
Винт 5X65 к MT900
2
18
819227-9
Этикетка с эмблемой Мактек
1
19
188062-9
Корпус двигателя в сборе
1
20
819227-9
Этикетка с эмблемой Мактек
1
21
643700-5
Колпачок щеткодержателя 7-18
2
22
191957-7
Угольные щетки CB-204 автооткл
1
23
861771-2
MT901 NAME PLATE
1
24
651182-7
Выключатель для MT900
1
25
266326-2
Самонарезающий винт 4х18(new)
2
26
687124-5
Держатель кабеля к 3709/MT360/(new)
1
27
188016-6
Рукоятка в сборе MT900
1
28
665852-2
Кабель резиновый 1.00-2-2.0
1
29
682540-6
Усилитель кабеля 9.3-90 2030/
1
30
188016-6
Рукоятка в сборе MT900
1
31
265101-3
Винт M6x25
4
32
256491-5
Шпилька 5(new)
1
33
263002-9
Резиновая шпилька 4
1
34
210067-2
Подшипник 10/26(new)
1
35
227491-2
Коническая спирал. шестерня 53
1
36
265120-9
Винт М5x16
3
37
285724-1
Фиксатор подшипника 50 GA7020/
1
38
211285-5
Подшипник
1
39
318378-0
Корпус подшипника для MT900
1
40
265541-5
Болт с внутр.шестигран.
4
41
158209-9
Шпиндель к MT900
1
42
265198-2
Винт (+) M8X25(new)
1
43
122892-8
Кожух диска в сборе
1
44
224415-9
Внутренний фланец(new)
1
45
224543-0
Гайка прижимная 14-45(верс1)
1
11
240081-4
Крыльчатка 80
1
46
233946-7
Кольцевая пружина 15
1
1001
152539-0
Боковая ручка 36
1
1002
782407-9
Ключ зажимной гайки MA415
1


Войти Регистрация
Корзина0 позиций на сумму 0 руб.