Омск +7(3812) 999-654, 999-624
Адрес: ул.Богдана Хмельницкого 283/3
Время работы: ПН-ПТ 9-18, СБ, ВС - выходной
Войти Регистрация
Корзина0 позиций
на сумму 0 руб.

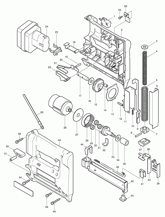
T1022D

Артикул
Наименование
Кол.
1
651891-8
Выключатель V-15-3A6 к T1022D/
1
2
182975-6
Корпус T1022D(new)
1
2
182566-3
HOUSING SET(верс1)
1
3
253733-8
Плоская шайба 9
1
4
233003-1
Компрессионная пружина 9
1
5
233004-9
Компрессионная пружина 13
1
6
343630-7
Направляющая пластина
1
7
331382-2
деталь
1
8
256206-0
Шпилька 4
1
9
164961-9
Предохранительный рычаг
1
10
233002-3
Компрессионная пружина 3
1
11
165028-6
Ударник T221D. T422D(new)
1
11
343643-8
HAMMER(верс1)
1
12
951107-4
Пружинный штифт 4-14 к T1022D/
1
13
343629-2
Пластина к модели T221D/T1022D
1
14
257639-2
Bтулка 4 для T1022D/T221D
1
15
153203-6
Косозубая шестерня 53 с валом
1
16
253171-4
Плоская шайба 10 1125/HR3000C/
1
17
256205-2
Шпилька 10
1
18
343579-1
Защелка аккумулятора к 1050D/
1
19
256158-5
Шпилька 3(верс1)
1
20
343628-4
Размык-щая пластина для T221D/
1
21
232107-6
Плоская пружина
1
22
414549-8
Рычаг выключателя
1
23
643909-9
Контактный разъем для 1050D/
1
24
192019-4
Куб.аккумулятор 9.6В. 1.3Ач
1
25
163319-9
деталь
1
26
629613-4
Двигатель 9.6V T1022D/T221D
1
27
267053-4
Плоская шайба 12
1
28
221999-8
Шестерня внутр. зацепления 69
1
29
221961-3
Прямозубая шестерня 27
1
30
221961-3
Прямозубая шестерня 27
1
31
221961-3
Прямозубая шестерня 27
1
32
232108-4
Плоская пружина
1
33
153204-4
Косозубая шестерня 7 с валом
1
34
253758-2
Плоская шайба 10
1
35
214058-5
Подшипник скольжения 10
1
36
231786-7
Натяжная пружина 4
1
37
421358-8
Опора к T1022D/T221D
1
38
343632-3
Направляющая толкателя T221D/
1
39
343634-9
деталь
1
40
343633-1
деталь
1
41
343631-5
Толкатель
1
42
168217-2
деталь
1
43
252634-7
Гайка M4
1
44
343635-7
деталь
1
45
182975-6
Корпус T1022D(new)
1
45
182566-3
HOUSING SET(верс1)
1
46
911143-2
Винт M4X22 к 6317D/6312BR/
6
48
911123-8
Винт M4X14 для 1911B/1923H/
2
48
911123-8
Винт M4X14 для 1911B/1923H/
3
49
911158-9
Винт M4X30 к 1050D/1125/1901/
2
50
415045-9
деталь
1
51
257645-7
Bтулка 4 для T1022D/T221D
1
52
343967-2
деталь
1
53
265873-0
Самонарезающий винт BT4X14
1
54
911148-2
Винт M4X25(верс1)
1
47
856518-7
NAME PLATE T1022D
1
1001
414938-7
Крышка аккумулятора для 1050D/
1


Войти Регистрация
Корзина0 позиций на сумму 0 руб.