Омск +7(3812) 999-654, 999-624 Заказать звонок
Адрес: ул.Богдана Хмельницкого 283/3
Время работы: ПН-ПТ 9-18, СБ, ВС - выходной
Войти Регистрация
Корзина0 позиций
на сумму 0 руб.

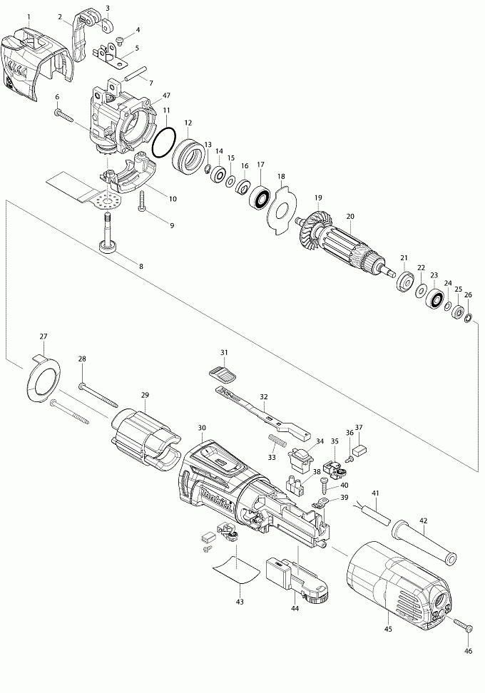
TM3010C

Артикул
Наименование
Кол.
1
455272-6
UPPER HEAD COVER(new)
1
1
454634-5
UPPER HEAD COVER(верс1)
1
2
319059-9
LEVER
1
3
313268-2
TURN BLOCK
1
4
911102-6
PAN HEAD SCREW M4X6
1
5
232282-8
LEAF SPRING
1
6
266424-2
Самонарезающий винт 4X20
4
7
268306-4
PIN 5
1
8
326346-9
HOLDER BOLT
1
9
266424-2
Самонарезающий винт 4X20
2
10
454635-3
LOWER HEAD COVER
1
11
213343-3
O RING 35(new)
1
12
326347-7
BEARING BOX
1
13
961003-8
Стопорное кольцо S-7 к HR2450/
1
14
211392-4
Подшипник 706
1
15
253133-2
Плоская шайба 7
1
16
313245-4
Эксцентрик для модели TM3000C
1
17
211092-6
Подшипник 9/26
1
18
285857-2
Фиксатор подшипника
1
20
517683-4
Ротор в сб.
1
21
681636-0
Изоляционная шайба для HR2450/
1
22
267426-1
Плоская шайба 7
1
23
210023-2
Подшипник 7/22
1
24
267756-0
Волновая шайба 6 для BO6040/
1
25
688174-3
Магнитная втулка(new)
1
26
259039-2
Стопорная шайба 6 4340/9566C/
1
27
453828-9
Защита статора
1
28
266415-3
Болт с внутр.шестигран. 4X55
2
29
623558-8
Статор 220-240В
1
30
453823-9
Корпус двигателя
1
31
453761-5
Кнопка выключателя для BTM40
1
32
453825-5
Рычаг выключателя
1
33
234263-8
Компрессионная пружина 5
1
34
651609-7
Выключатель
1
35
643839-4
Щеткодержатель для GA4030
2
36
266492-5
Самонарезающий винт 3X8(new)
2
37
194722-3
Угольные щетки 459 GA4530
1
38
654532-5
Соединитель
1
39
687681-3
Фиксатор кабеля для GA5030
1
40
266326-2
Самонарезающий винт 4х18(new)
1
41
665399-6
Кабель пластиковый
1
42
682569-2
Усилитель кабеля 8-85 к 3709/
1
43
814T82-4
TM3010C NAME PLATE
1
44
620234-5
CONTROLLER
1
45
453824-7
Задняя крышка корпуса
1
46
266424-2
Самонарезающий винт 4X20
1
47
143249-0
CRANK HOUSING COMPLETE(new)
1
47
142208-1
CRANK HOUSING COMPLETE(верс1)
1
19
240140-4
Крыльчатка 46
1
1001
143308-0
TOOL BOX COMPLETE WITH LABEL(new)
1
1001
142257-8
TOOL BOX COMPLETE(верс1)
1
1002
821592-4
PLASTIC CARRYING CASE
1
1003
196550-2
DUST ATTACHMENT SET
1
1004
196271-6
Адаптер BTM50
1
1005
B-21325
Пильн диск 85мм бимет.круг
1
1006
B-21331
Пильн диск 85мм бимет.(верс1)
1
1006
B-21353
Пильн полотно 28х50мм бимет.
1
1007
B-21537
Шлиф. опорная пластина(верс1)
1
1007
B-21353
Пильн полотно 28х50мм бимет.
1
1008
B-21369
Пильн полотно 32х40мм бимет.(верс1)
1
1009
B-21381
Пильн полотно 32х40мм бимет.(верс1)
1
1010
B-21428
PLUNGE CUT SAW BLADE 20 TMA016(верс1)
1
1010
B-21434
Пильн полотно 10х20мм бимет.(верс1)
1
1011
B-21434
Пильн полотно 10х20мм бимет.(верс1)
1
1011
B-21456
Шабер гибкий(верс1)
1
1012
B-21456
Шабер гибкий(верс1)
1
1012
B-21624
ABRASIVEPAPER DELTA RED 60(верс1)
1
1013
B-21490
HM SEG SAW BLADE 85 TMA023
1
1013
B-22947
ABRASIVEPAPER DELTA RED 100
1
1014
B-22953
ABRASIVEPAPER DELTA RED 150
1
1014
B-21509
HM SEG SAW BLADE 65 TMA024
1
1015
B-21537
Шлиф. опорная пластина(верс1)
1
1015
B-21624
ABRASIVEPAPER DELTA RED 60(верс1)
1
1016
B-22947
ABRASIVEPAPER DELTA RED 100
1
1016
821591-6
TOOL BOX
1
1017
B-22953
ABRASIVEPAPER DELTA RED 150
1
1018
B-21537
Шлиф. опорная пластина(верс1)
1
1019
821591-6
TOOL BOX
1


Войти Регистрация
Корзина0 позиций на сумму 0 руб.